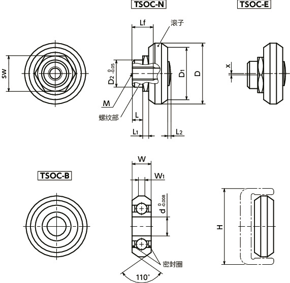
单位 : mm
| 型号 | H | W | W1 | L | L1 | L2 max. | D | D1 | D2 | d | x | M | Lf | sw | 额定载荷(N) | 类型 | 质量(g) | CAD下载 | 请求报价 |
|---|---|---|---|---|---|---|---|---|---|---|---|---|---|---|---|---|---|---|---|
| TSOC-28-E | 28 | 7 | 2.4 | 3.8 | 2.2 | 0.6 | 22.4 | 19.2 | 10 | - | 0.5 | M5 | 8 | 13 | 1100 | E | 17 | CAD | 请求报价 |
材质、表面处理
| TSOC | |
|---|---|
| 滚子 | 钢 淬火 |
| 密封圈 | NBR(黑) |
| 螺纹部 | 钢 三价铬酸盐处理 |
特点
- 这是一款耐久性和静音性表现卓越的凸轮滚子。
- 其稳定性良好,能够适应高速移动。
- 可根据产品符号选择滚子类型。
| 产品符号 | 类型 |
|---|---|
| B | 一般滚子 (通孔) |
| N | 一般滚子 (内螺纹) |
| E | 偏心滚子 |
- TSOC-E为偏心滚子。可用于调整滚子导轨和滚子之间的间隙。
- 请与滚子导轨TSOA组合使用。还可作为凸轮滚子滑座TSOB的替换品使用。
- 请使用凸轮滚子专用扳手TSQ进行间隙调整。
用途
抽屉、滑动门、柜子各类工业设备、车辆设备、家具等
使用注意事项
- 请勿以超出最大滑动速度7m/s的速度使用,否则可能会导致故障、破损。
- 使用前,请仔细阅读技术资料中的安全注意事项、使用注意事项,正确、安全地使用。
使用例
丰富的规格可满足不同用途。
凸轮滚子TSOC、凸轮滚子刮擦器TSOD是凸轮滚子滑座TSOB的替换零件。







