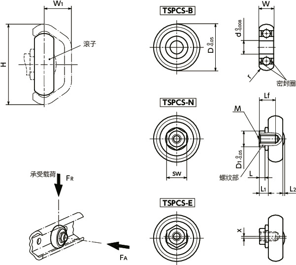
单位 : mm
| 型号 | H | W | W1 | D | D1 | d | L | L1 | L2 max. | r | x | M | Lf | sw | 承受载荷 | 类型 | 质量(g) | CAD下载 | 请求报价 | |
|---|---|---|---|---|---|---|---|---|---|---|---|---|---|---|---|---|---|---|---|---|
| FR(N) | FA(N) | |||||||||||||||||||
| TSPCS-30-E-2RS-X | 30 | 7 | 10 | 22.5 | 10 | - | 2.6 | 4.8 | 0.5 | 4.5 | 0.6 | M5 | 8.5 | 13 | 580 | 140 | E | 20 | CAD | 请求报价 |
材质、表面处理
| TSPCS | |
|---|---|
| 滚子 | SUS440C |
| 密封圈 | NBR(蓝) |
| 螺纹部 | SUS316L |
特点
- 这是一款不锈钢制的凸轮滚子。
- 螺纹部为SUS316L制。即使在要求耐腐蚀性的环境中也能使用。
- 使用符合FDA标准H1级别的润滑脂。
- 可根据产品符号选择滚子类型。
| 产品符号 | 类型 |
|---|---|
| B | 一般滚子 (通孔) |
| N | 一般滚子 (内螺纹) |
| E | 偏心滚子 |
- TSPCS-E为偏心滚子。可用于调整滚子导轨和滚子之间的间隙。
- 请与滚子导轨TSPAS组合使用。还可作为凸轮滚子滑座TSPBS的替换品使用。
- 请使用凸轮滚子专用扳手TSQ进行间隙调整。
用途
抽屉、滑动门、柜子食品、医药品装置
各类工业设备、车辆设备、家具等
使用注意事项
- 请勿以超出最大滑动速度1.5m/s的速度使用,否则可能会导致故障、破损。
- 可使用温度为-20℃~100℃。
- 使用前,请仔细阅读技术资料中的安全注意事项、使用注意事项,正确、安全地使用。







