尺寸・CAD
单位 : mm
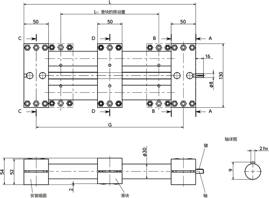
| 型号 | 滑块的移动量L1 | 梯形螺纹 | L | G | 质量 (kg) |
CAD下载 | 请求报价 |
|---|---|---|---|---|---|---|---|
| GN491-30-100-R1-1-SCR | 100 | Tr14×4 | 250 | 200 | 3 | CAD | 请求报价 |
| GN491-30-150-R1-1-SCR | 150 | Tr14×4 | 300 | 250 | 2.98 | CAD | 请求报价 |
| GN491-30-200-R1-1-SCR | 200 | Tr14×4 | 350 | 300 | 3.16 | CAD | 请求报价 |
| GN491-30-300-R1-1-SCR | 300 | Tr14×4 | 450 | 400 | 3.52 | CAD | 请求报价 |
为非库存品。交货期请垂询客户中心。
材质、表面处理
| GN491-30 | |
|---|---|
| 主体(导管) | 钢 镀铬 |
| 安装端面 | 相当于AC3A 静电喷涂(亚光黑) |
| 滑块 | 相当于AC3A 静电喷涂(亚光黑) |
| 梯形螺纹 | 相当于S15C |
| 螺母 | 钢 三价铬酸盐处理 |
| 端盖 | 尼龙6(黑) |
| 键 | S45C |
特点
- 适用于高负载的线性引动器。
- 通过在梯形螺纹的两侧配置导管,刚性更高。
- 容许力矩大于单管的GN291N(GN291N-R1-NI),适用于重物的定位。
- 也生产移动量、滑块数等特殊规格的产品。请垂询客户中心。
- 安装方法
构造

承受载荷
单位 : N
| Fx | Fy | Fz | ||||
|---|---|---|---|---|---|---|
| L=500 | L=1000 | L=1500 | L=500 | L=1000 | L=1500 | |
| 850 | 1100 | 900 | 550 | 600 | 350 | 150 |
容许力矩
单位 : N・m
| Mx | My | Mz |
|---|---|---|
| 100 | 100 | 100 |
梯形螺纹精度
| GN491-30 | |
|---|---|
| 螺纹公差 | 7e |
| 累积螺距误差 | ±0.2/300mm |
| 螺母公差 | 7H |
构造












