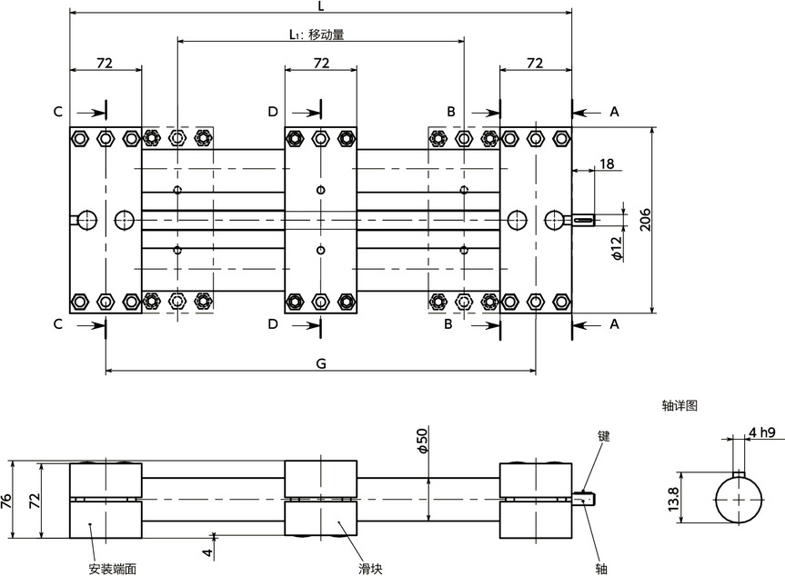
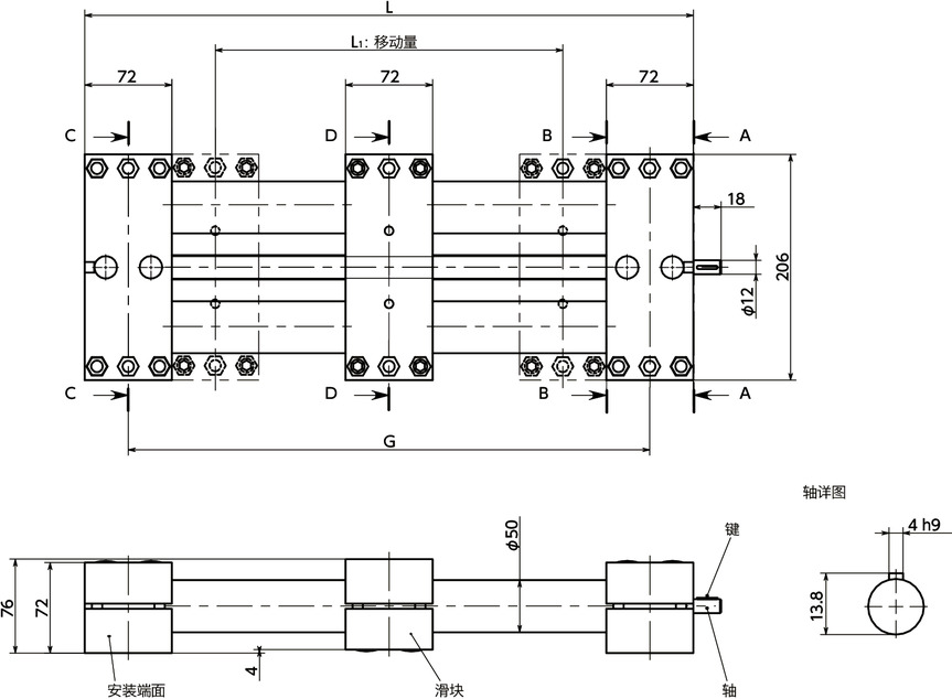
尺寸・CAD
单位 : mm
| 型号 | 滑块的移动量L1 | 梯形螺纹 | L | G | 质量 (kg) |
CAD下载 | 请求报价 |
|---|---|---|---|---|---|---|---|
| GN491-50-100-R1-1-SCR | 100 | Tr20×4 | 316 | 244 | 8.9 | CAD | 请求报价 |
| GN491-50-150-R1-1-SCR | 150 | Tr20×4 | 366 | 294 | 9.44 | CAD | 请求报价 |
| GN491-50-200-R1-1-SCR | 200 | Tr20×4 | 416 | 344 | 10 | CAD | 请求报价 |
| GN491-50-300-R1-1-SCR | 300 | Tr20×4 | 516 | 444 | 11.12 | CAD | 请求报价 |
为非库存品。交货期请垂询客户中心。
材质、表面处理
| GN491-50 | |
|---|---|
| 主体(导管) | 钢 镀铬 |
| 安装端面 | 相当于AC3A 静电喷涂(亚光黑) |
| 滑块 | 相当于AC3A 静电喷涂(亚光黑) |
| 梯形螺纹 | 相当于S15C |
| 螺母 | 钢 三价铬酸盐处理 |
| 端盖 | 尼龙6(黑) |
| 键 | S45C |
特点
- 适用于高负载的线性引动器。
- 通过在梯形螺纹的两侧配置导管,刚性更高。
- 容许力矩大于单管的GN291N(GN291N-R1-NI),适用于重物的定位。
- 也生产移动量、滑块数等特殊规格的产品。请垂询客户中心。
- 安装方法
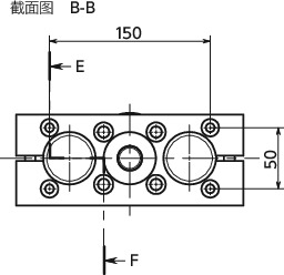
构造

承受载荷
单位 : N
| Fx | Fy | Fz | ||||
|---|---|---|---|---|---|---|
| L=500 | L=1000 | L=1500 | L=500 | L=1000 | L=1500 | |
| 1900 | 3850 | 2400 | 2100 | 3100 | 700 | 200 |
容许力矩
单位 : N・m
| Mx | My | Mz |
|---|---|---|
| 180 | 220 | 290 |
梯形螺纹精度
| GN491-50 | |
|---|---|
| 螺纹公差 | 7e |
| 累积螺距误差 | ±0.2/300mm |
| 螺母公差 | 7H |
构造












