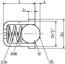
单位 : mm
| 型号 | D1 | D2 | D3 | L | L1 | s | D | 适用的球型按钮 BB |
载荷(N) min./max. |
质量 (g) |
CAD下载 | 请求报价 |
|---|---|---|---|---|---|---|---|---|---|---|---|---|
| PPRSC-10-KD | 10 | 11 | 10 | 13.5 | 1.5 | 2.4 | 8 | BB-12 | 11.9/22.3 | 1 | CAD | 请求报价 |
材质、表面处理
| PPRSC-KD | |
|---|---|
| 主体 | 聚缩醛(黑) |
| 球 | 聚缩醛(白) |
| 弹簧 | 相当于SUS631 |
特点
- 压入型销柱塞。
- 主体配置的开槽提高了挠度,可在公差较大的孔上安装。
- PPRSC-KD的球为塑料制。不会损伤工件。
- PPRSC-KU PPRSC-KD的可使用温度:-30℃~50℃
安装孔尺寸









