尺寸・CAD
单位 : mm
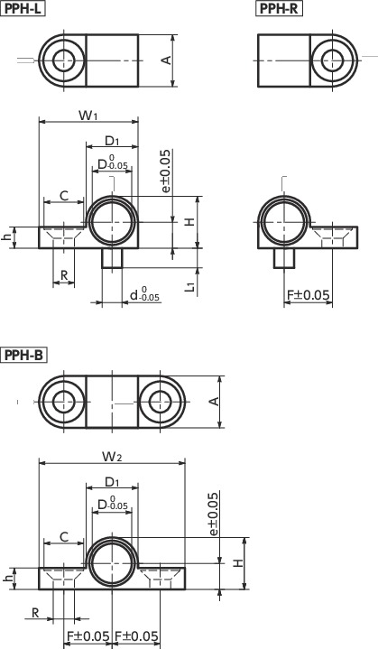
| 型号 | L1 | d | D | D1 | H | h | W1 | e | A | R | C | F | 适用的柱塞 | 质量 (g) |
CAD下载 | 请求报价 |
|---|---|---|---|---|---|---|---|---|---|---|---|---|---|---|---|---|
| PPH-6-L | 3 | 3 | 6 | 8.5 | 8.5 | 3.2 | 16 | 4.25 | 8.5 | 3.2 | 6.3 | 7.5 | PPR-6 | 2 | CAD | 请求报价 |
| PPH-8-L | 4 | 4 | 8 | 10.5 | 10.5 | 4.2 | 20 | 5.25 | 10.5 | 4.3 | 8.3 | 9.5 | PPR-8 | 5 | CAD | 请求报价 |
| PPH-6-R | 3 | 3 | 6 | 8.5 | 8.5 | 3.2 | 16 | 4.25 | 8.5 | 3.2 | 6.3 | 7.5 | PPR-6 | 2 | CAD | 请求报价 |
| PPH-8-R | 4 | 4 | 8 | 10.5 | 10.5 | 4.2 | 20 | 5.25 | 10.5 | 4.3 | 8.3 | 9.5 | PPR-8 | 5 | CAD | 请求报价 |
| PPH-6-B | - | - | 6 | 8.5 | 8.5 | 3.2 | - | 4.25 | 8.5 | 3.2 | 6.3 | 7.5 | PPR-6 | 3 | CAD | 请求报价 |
| PPH-8-B | - | - | 8 | 10.5 | 10.5 | 4.2 | - | 5.25 | 10.5 | 4.3 | 8.3 | 9.5 | PPR-8 | 8 | CAD | 请求报价 |
材质、表面处理
| PPH | |
|---|---|
| 主体 | 锌压铸件 镀镍 |






