尺寸・CAD
单位 : mm
| 型号 | Lc | h | s | B | C | D | Pcs | d1 | h' | t | b | 齿数 | 质量 (g) |
CAD下载 | 请求报价 |
|---|---|---|---|---|---|---|---|---|---|---|---|---|---|---|---|
| LXY-44-C10-A | 31 | 43 | 6 | 33 | 10 | 44 | 33 | 23 | 47 | 1.4 | 3 | 60 | 310 | CAD | 请求报价 |
| LXY-44-C12-A | 31 | 43 | 6 | 33 | 12 | 44 | 33 | 23 | 47 | 1.1 | 4 | 60 | 300 | CAD | 请求报价 |
| LXY-52-C14-A | 31.5 | 43.5 | 6 | 42 | 14 | 52 | 41.8 | 31.5 | 47.5 | 1.3 | 5 | 60 | 470 | CAD | 请求报价 |
| LXY-52-C16-A | 31.5 | 43.5 | 6 | 42 | 16 | 52 | 41.8 | 31.5 | 47.5 | 1.3 | 5 | 60 | 460 | CAD | 请求报价 |
材质、表面处理
| LXY-A | |
|---|---|
| 主体 | SUM21 四氧化三铁保护膜(黑) |
特点
- 可用6°或其整数倍的角度即按2、3、4、5、6、10、12、15、20、30份进行分度。
- 采用锯制锯齿的结构,准确且耐久性优良。
-
材质分为2种。
LXY-A----钢制
LXYS-A----不锈钢制
- 也可刻印刻度及符号标记。
请垂询客户中心。

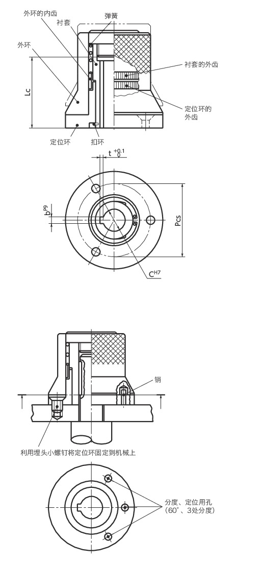
构造
分度构造为一体式装置,紧凑地整合了角度调整和位置确保用的构造。装置由以下3个主要零件构成。- 衬套
使用键或销等固定在轴上。外周加工有锯齿。 -
定位环
使用3根埋头小螺钉(螺纹直径:M5)固定在机械、装置上。外周加工有锯齿。衬套相对于定位环自由旋转。 -
外环
锁定状态下,外环内周上加工的锯齿与衬套及定位环的锯齿咬合。

使用方法
- 抬起外环时内置弹簧受到压缩,外环锯齿与定位环锯齿脱开。
- 外环锯齿与衬套锯齿咬合,旋转外环时轴将自由旋转。
- 松开外环时外环会在弹簧力的作用下缩回,并与定位环锯齿重新咬合,进入锁定状态。
仅分度到指定的角度、指定的位置时。
在定位环上插入销,使得只在衬套(=轴)处于定位环的对应位置时接合。外环在规定位置处加工有销的嵌入孔。
可通过锯齿的咬合进行正确定位,因此该孔只需粗加工即可。
附带刻度及符号标记时,使用更方便。
LXY-A的内部构造











