尺寸・CAD
单位 : mm
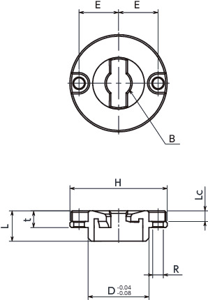
| 型号 | H | L | D | t | B | R | Lc | E | 适用板厚 | 适用快速夹紧紧固件 | 质量 (g) |
CAD下载 | 请求报价 |
|---|---|---|---|---|---|---|---|---|---|---|---|---|---|
| NQTBS-5-GL | 25 | 9 | 14 | 4.5 | 5 | 3 | 3 | 10 | 10~ | NQTS-5-GL
NQTS-5-F-GL NQTS-5-NI-GL NQTS-5-F-NI-GL |
18 | CAD | 请求报价 |
| NQTBS-8-GL | 32 | 10 | 20 | 5.5 | 8 | 3.5 | 3.5 | 13 | 12~ | NQTS-8-GL
NQTS-8-L-GL NQTS-8-F-GL NQTS-8-NI-GL NQTS-8-L-NI-GL NQTS-8-F-NI-GL |
33 | CAD | 请求报价 |
特点
- 安装快速夹紧紧固件NQTS-GLNQTS-NI-GLNQTS-F-GLNQTS-F-NI-GL的专用凸轮基座。
- 夹紧部设计成锥形,便于插入快速夹紧紧固件的夹紧销。
- 不锈钢制。耐腐蚀性优良。
- 使用低尘润滑脂。
- 附带2根安装用内六角圆柱头螺栓。
材质、表面处理
| NQTBS-GL | |
|---|---|
| 主体 | 相当于SUS630 |
| 内六角圆柱头螺栓 | 不锈钢 |
| 耐热温度*1 | 100℃ |
*1: 润滑脂的使用上限温度。
安装
请将快速夹紧紧固件NQTS-GLNQTS-NI-GLNQTS-F-GLNQTS-F-NI-GL的夹紧销与NQTBS-GL的销安装孔调整至相位一致后进行安装。
单位 : mm
| 型号 | D | D1 | h | E | Lf | M(粗牙) | |
|---|---|---|---|---|---|---|---|
| 螺纹公称直径 | 螺距 | ||||||
| NQTBS-5-GL | 14 | 26 | 5 | 10 | 5 | M2.5 | 0.45 |
| NQTBS-8-GL | 20 | 33 | 6 | 13 | 5 | M3 | 0.5 |










