尺寸・CAD
单位 : mm
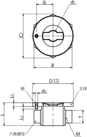
| 型号 | D | L | M(细牙) 螺纹公称直径 |
螺距 | L1 | d1 | d2 | G | L2 | B | T | C | 适用板厚 | 适用快速夹紧紧固件 | 质量 (g) |
CAD下载 | 请求报价 |
|---|---|---|---|---|---|---|---|---|---|---|---|---|---|---|---|---|---|
| NQTBS-5-N-GF | 25 | 16 | M14 | 1.5 | 3 | 5 | 2 | 10.5 | 2 | 22 | 8 | 25.4 | 6~10 | NQTS-5-GF
NQTS-5-F-GF NQTS-5-NI-GF NQTS-5-F-NI-GF |
37 | CAD | 请求报价 |
| NQTBS-8-N-GF | 32 | 18 | M20 | 1.5 | 3 | 8 | 2 | 13 | 2 | 30 | 10 | 34.6 | 6~12 | NQTS-8-GF
NQTS-8-L-GF NQTS-8-F-GF NQTS-8-NI-GF NQTS-8-L-NI-GF NQTS-8-F-NI-GF |
69 | CAD | 请求报价 |
特点
- 在薄板上安装快速夹紧紧固件NQTS-GFNQTS-NI-GFNQTS-F-GFNQTS-F-NI-GF的专用凸轮基座。
- 夹紧部设计成锥形,便于插入快速夹紧紧固件的夹紧销。
- 不锈钢制。耐腐蚀性优良。
- 使用NSF H1认证润滑脂。适用于食品机械。
材质、表面处理
| NQTBS-N-GF | |
|---|---|
| 主体 | 相当于SUS630 |
| 六角螺母 | 相当于SUS304 |
| 耐热温度*1 | 100℃ |
*1: 润滑脂的使用上限温度。
安装
请将快速夹紧紧固件NQTS-GFNQTS-NI-GFNQTS-F-GFNQTS-F-NI-GF的夹紧销与NQTBS-N-GF的销安装孔调整至相位一致后进行安装。NQTBS-N-GF的销安装孔朝向取决于待安装板材侧的销孔加工位置。


单位 : mm
| 型号 | D | d4 | h | G | Lc | d3 |
|---|---|---|---|---|---|---|
| NQTBS-5-N-GF | 25 | 15 | 3.5 | 10.5 | 3 | 2.2 |
| NQTBS-8-N-GF | 32 | 21 | 3.5 | 13 | 3 | 2.2 |










