尺寸・CAD
单位 : mm
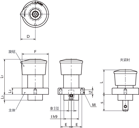
| 型号 | F | L1 | L3 | I | L2 | D | M(粗牙) 螺纹公称直径 |
螺距 | Lf | E | B | s | L | 适用板厚 | 重复定位精度 | 夹紧力*1 (N) |
质量 (g) |
颜色 | CAD下载 | 请求报价 | |
|---|---|---|---|---|---|---|---|---|---|---|---|---|---|---|---|---|---|---|---|---|---|
| [[NQTS-SPCR]]无 | [[NQTS-SPCR]]有 | ||||||||||||||||||||
| NQTS-5-F-BK-GL | 25 | 33.1 | 5.5 | 14 | 6 | 13.9 | M2.5 | 0.45 | 4 | 10 | 5 | 15.6 | 23 | 6~10 | 3~6 | ±0.1 | 60 | 43 | BK | CAD | 请求报价 |
| NQTS-5-F-RD-GL | 25 | 33.1 | 5.5 | 14 | 6 | 13.9 | M2.5 | 0.45 | 4 | 10 | 5 | 15.6 | 23 | 6~10 | 3~6 | ±0.1 | 60 | 43 | RD | CAD | 请求报价 |
| NQTS-5-F-GR-GL | 25 | 33.1 | 5.5 | 14 | 6 | 13.9 | M2.5 | 0.45 | 4 | 10 | 5 | 15.6 | 23 | 6~10 | 3~6 | ±0.1 | 60 | 43 | GR | CAD | 请求报价 |
| NQTS-5-F-YW-GL | 25 | 33.1 | 5.5 | 14 | 6 | 13.9 | M2.5 | 0.45 | 4 | 10 | 5 | 15.6 | 23 | 6~10 | 3~6 | ±0.1 | 60 | 43 | YW | CAD | 请求报价 |
| NQTS-8-F-BK-GL | 34 | 41.5 | 5.5 | 18 | 9.5 | 18.5 | M3 | 0.5 | 6 | 13 | 8 | 17 | 29.5 | 6~14 | 3~6 | ±0.1 | 90 | 107 | BK | CAD | 请求报价 |
| NQTS-8-F-RD-GL | 34 | 41.5 | 5.5 | 18 | 9.5 | 18.5 | M3 | 0.5 | 6 | 13 | 8 | 17 | 29.5 | 6~14 | 3~6 | ±0.1 | 90 | 107 | RD | CAD | 请求报价 |
| NQTS-8-F-GR-GL | 34 | 41.5 | 5.5 | 18 | 9.5 | 18.5 | M3 | 0.5 | 6 | 13 | 8 | 17 | 29.5 | 6~14 | 3~6 | ±0.1 | 90 | 107 | GR | CAD | 请求报价 |
| NQTS-8-F-YW-GL | 34 | 41.5 | 5.5 | 18 | 9.5 | 18.5 | M3 | 0.5 | 6 | 13 | 8 | 17 | 29.5 | 6~14 | 3~6 | ±0.1 | 90 | 107 | YW | CAD | 请求报价 |
*1: 夹紧力是指在承受拉伸载荷时,能够将安装板之间的间隙保持在0.1mm以内的容许载荷。
特点
- 无需工具,与专用凸轮基座组合后可轻松完成夹具的装卸作业。
- 只需将旋钮旋转90°即可进行夹紧、松开操作,最适合重复作业。
- 松开时,夹紧销收纳于主体内,不会向外突出,因此可进行滑动动作。
- 旋钮采用易于握持的带弧度倒锥形设计,主体上的刻印采用不损害耐腐蚀性的激光刻印。
- 通过旋钮的凸起和激光刻印,可一眼确认夹紧状态。
- 旋钮操作部通过了5万次动作测试。凭借优异的耐久性,可减少部件的更换频率。
- 使用低尘润滑脂。
- 附带2根安装用内六角圆柱头螺栓。
- 安装到3mm及以上6mm以下的板材时,请使用专用间隔体NQTS-SPCR。
- 旋钮分为4种颜色。可根据产品符号选择。
| 产品符号 | 旋钮颜色 |
|---|---|
| BK | 黑 |
| RD | 红 |
| GR | 绿 |
| YW | 黄 |
材质、表面处理
| NQTS-F-GL | |
|---|---|
| 主体 | SUS303 |
| 旋钮 | 玻璃纤维增强尼龙(各种颜色) |
| 内六角圆柱头螺栓 | 不锈钢 |
| 耐热温度*1 | 100℃ |
*1: 润滑脂的使用上限温度。
容许载荷

| 型号 | 容许剪切载荷(N) | 容许拉伸载荷(N) |
|---|---|---|
| NQTS-5-F-GL | 1800 | 1200 |
| NQTS-8-F-GL | 3200 | 2600 |
安装
“LOCK”标识采用激光刻印在安装孔的直线上。请考虑作业便利性来设定“LOCK”标识及安装孔的位置。若板厚为3mm及以上6mm以下,请参考NQTS-SPCR的安装说明。

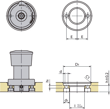
单位 : mm
| 型号 | 适用板厚 | I | h | E | d | d1 | h1 |
|---|---|---|---|---|---|---|---|
| NQTS-5-F-GL | 6 | 14 | 6 | 10 | 2.9 | 5.5 | 2.5 |
| NQTS-8-F-GL | 6 | 18 | 6 | 13 | 3.4 | 6.5 | 2.5 |

单位 : mm
| 型号 | 适用板厚 | I | D1 | h | E | d | d1 | h1 |
|---|---|---|---|---|---|---|---|---|
| NQTS-5-F-GL | 6~10 | 14 | 26 | 6 | 10 | 2.9 | 5.5 | 2.5 |
| NQTS-8-F-GL | 6~14 | 18 | 35 | 6 | 13 | 3.4 | 6.5 | 2.5 |
孔间间距精度
请将NQTS-F-GL安装板、凸轮基座安装板的间距公差加工至±0.04mm以下。
重复定位精度
重复定位精度为±0.1mm。若需要更高精度的定位,请准备与应用场景相适配的定位销。
使用例
与专用凸轮基座NQTBS-GL等组合。












