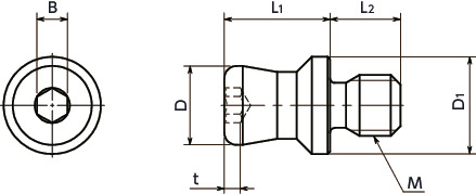
单位 : mm
特点
- 快速夹紧紧固件NQTS-PHNQTS-PH-NI专用固定销。
- 不锈钢制。耐腐蚀性优良。
材质、表面处理
| NQTS-HP | |
|---|---|
| 主体 | SUS630 |
安装
平面安装时

单位 : mm
| 型号 | M(粗牙) | |
|---|---|---|
| 螺纹公称直径 | 螺距 | |
| NQTS-6-HP | M4 | 0.7 |
| NQTS-8-HP | M5 | 0.8 |
I>E时
I:快速夹紧紧固件嵌合部直径E:固定销安装部外径
通过设置埋头孔,可发挥规格所示的保持力。

单位 : mm
| 型号 | M(粗牙) | D2 | h | Lf min. | E max. | I | |
|---|---|---|---|---|---|---|---|
| 螺纹公称直径 | 螺距 | ||||||
| NQTS-6-HP | M4 | 0.7 | 7 | 0.5 | 6 | 14 | 14 |
| NQTS-8-HP | M5 | 0.8 | 9 | 0.5 | 6 | 18 | 18 |






