一看就会的产品使用要领解说
| 型号 | M(粗牙) | 类型 | 质量 (g) |
CAD下载 | 请求报价 |
|---|---|---|---|---|---|
| FQRF-2N-M10-L-BK | M10 | 浮动 | 404 | CAD | 请求报价 |
材质、表面处理
| FQRF | |
|---|---|
| 主体 | 铝 阳极氧化处理(黑) |
| 锁定机构 | 钢 镀锌 |
| 内螺纹零件 | 相当于SUS431 |
特点
- 通过使用专用螺柱FQR-S,无需使用工具就可以进行零件、机器、装置之间的定位和连接。
- 使用主体的内螺纹安装在设备、装置上。
- 适用于反复进行切换准备作业的场所和不便使用螺丝刀等工具的场所。可以有效地在夹具、生产线等上安装垫板、保护盖和其他附件。
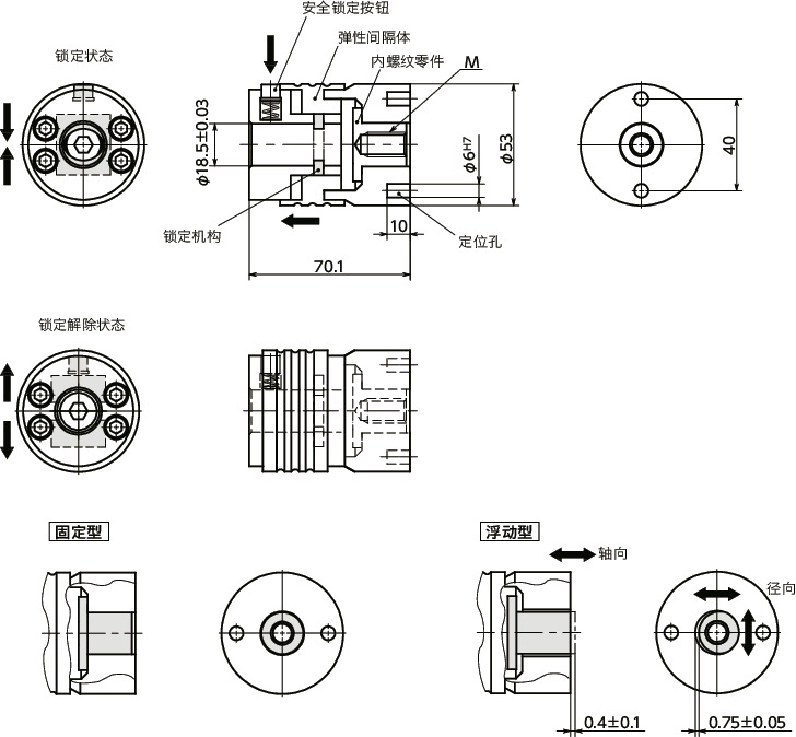
- 从锁定状态变为锁定解除状态的操作为一边按下安全锁定按钮,一边将弹性间隔体向安全锁定按钮方向移动。从锁定解除状态变为锁定状态的操作为将弹性间隔体向安全锁定按钮的反方向移动。
- 安全锁定按钮可防止意外解除锁定。
- 本产品采用了便于操作人员识别解锁状态的设计,锁定解除时,红色的环会露在外面。

- 快速释放接头在专用双头螺柱FQR-S连接时会空转。
-
可以根据需要在Φ6定位孔上安装定位销。使用定位销可以防止FQRF和安装对象的意外旋转。
*不附带定位销。 - 浮动型适用于需要修正径向和轴向偏置的情况,例如内螺纹零件和主体之间存在间隙、同一装置使用多个FQRF等情况。
- 使用浮动型时,为了有效地利用径向间隙,必须配合FQRF的间隙将安装对象侧的销孔加大。
- 固定型的内螺纹零件与主体之间没有间隙。
- 可使用温度:-30℃~120℃
使用注意事项
- 请在强度表的耐载荷范围内进行机器、装置的设计。
- 安装对象侧的内螺纹和插入式螺母请使用强度等级8以上的产品。
- 请根据应用采取追加安全措施。
安装

*1: FQRF也可按相同方法使用。
使用例


强度

| M FQRF侧螺纹尺寸 |
M1 FQR-S侧螺纹尺寸 |
FZ 最大拉伸载荷(kN) |
FD 最大压缩载荷(kN) |
FR 最大剪切载荷(kN) |
|---|---|---|---|---|
| M10 | M10 | 25 | 25 | 19 |
| M10 | M12 | 25 | 25 | 19 |
| M12 | M10 | 25 | 25 | 19 |
| M12 | M12 | 35 | 35 | 28 |








