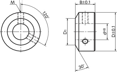
单位 : mm
| 型号 | d | B | D | D1 | M*1 (粗牙) |
定位螺丝 颗数 | 质量 (g) |
CAD下载 | 请求报价 |
|---|---|---|---|---|---|---|---|---|---|
| NSC-16-12-M | 16 | 12 | 28 | 24 | M5 | 2 | 37 | CAD | 请求报价 |
*1: 附带内六角止动螺丝。
材质、表面处理
| NSC-M | |
|---|---|
| 主体 | S45C 无电解镀镍 |
| 内六角 止动螺丝 |
SUSXM7 |
特点
- 定位螺丝固定型固定轴环。
- 使用定位螺丝与轴连接。
-
加大了单侧端面的倒角(轴孔径8mm以上)。
固定轴承时,避免固定轴环与外圈接触。
单位 : mm
| 型号 | d | B | D | D1 | M*1 (粗牙) |
定位螺丝 颗数 | 质量 (g) |
CAD下载 | 请求报价 |
|---|---|---|---|---|---|---|---|---|---|
| NSC-16-12-M | 16 | 12 | 28 | 24 | M5 | 2 | 37 | CAD | 请求报价 |
*1: 附带内六角止动螺丝。
| NSC-M | |
|---|---|
| 主体 | S45C 无电解镀镍 |
| 内六角 止动螺丝 |
SUSXM7 |