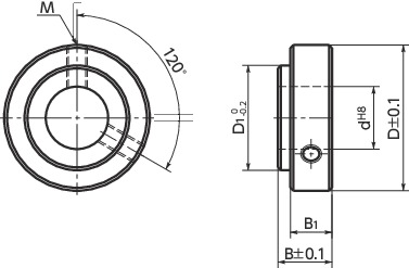
单位 : mm
| 型号 | d | B | B1 | D | D1 | M*1 (粗牙) |
适用 轴承 |
质量 (g) |
CAD下载 | 请求报价 |
|---|---|---|---|---|---|---|---|---|---|---|
| NSC-4-7-SB | 4 | 7.5 | 5 | 8 | 6 | M3 | 694ZZ・624ZZ | 2 | CAD | 请求报价 |
*1: 附带内六角止动螺丝。
*1: 轴孔径φ5以下时为1处。
材质、表面处理
| NSC-SB | |
|---|---|
| 主体 | SUS304 |
| 内六角止动螺丝 | SUSXM7 |
特点
- 轴承固定用的固定轴环。
- 通过主体的凸部,仅按压轴承内圈即可固定。
- 最适用于难以在轴上固定扣环等情况下的轴承固定。
- 使用定位螺丝与轴连接。







