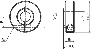
单位 : mm
| 型号 | d | B | B1 | D | D1 | F | M*1 (粗牙) |
适用轴承 | 质量 (g) |
CAD下载 | 请求报价 |
|---|---|---|---|---|---|---|---|---|---|---|---|
| NSCS-12-11-CB3 | 12 | 11 | 9 | 30 | 16.2 | 10 | M4 | 6901ZZ | 41 | CAD | 请求报价 |
*1: 附带内六角螺栓。
材质、表面处理
| NSCS-CB | |
|---|---|
| 主体 | S45C 四氧化三铁保护膜(黑) |
| 内六角螺栓 | SCM435 四氧化三铁保护膜(黑) |
特点
- 轴承固定用的固定轴环。
- 通过主体的凸部,仅按压轴承内圈即可固定。
- 最适用于难以在轴上固定扣环等情况下的轴承固定。
- 夹紧型。便于安装、拆卸。不会损伤轴。







