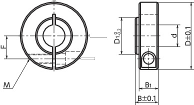
单位 : mm
| 型号 | d | B | B1 | D | D1 | F | M*1 (粗牙) |
适用轴承 | 质量 (g) |
CAD下载 | 请求报价 |
|---|---|---|---|---|---|---|---|---|---|---|---|
| NSCS-6-8-MB2 | 6 | 8.5 | 7.5 | 20 | 9.7 | 6.5 | M3 | 626ZZ | 15 | CAD | 请求报价 |
*1: 附带内六角螺栓。
材质、表面处理
| NSCS-MB | |
|---|---|
| 主体 | S45C 无电解镀镍 |
| 内六角螺栓 | SUSXM7 |
特点
- 轴承固定用的固定轴环。
- 通过主体的凸部,仅按压轴承内圈即可固定。
- 最适用于难以在轴上固定扣环等情况下的轴承固定。
- 夹紧型。便于安装、拆卸。不会损伤轴。







