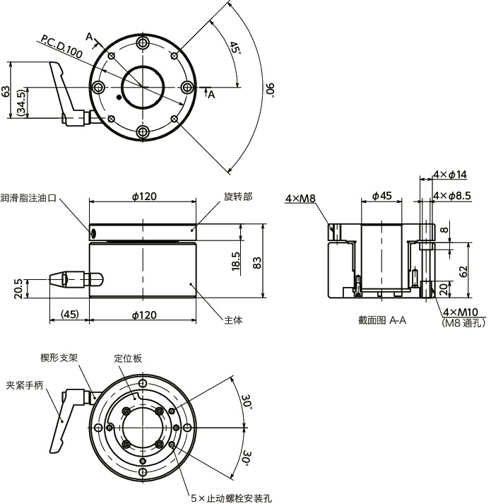
尺寸・CAD
| 型号 | 最大装载质量 (kg) |
容许力矩*1 (N・m) |
保持扭矩(N・m)*2 (N・m) |
质量 (g) |
CAD下载 | 请求报价 |
|---|---|---|---|---|---|---|
| DKSW-120-45-LD | 100 | 125 | 30 | 3200 | CAD | 请求报价 |
*1: 对于从安装在旋转部的操作盘承受的偏载荷的容许值。
*2: 保持扭矩是在未安装操作盘的状态下,以最大紧固力(5.5kN)紧固夹紧手柄时产生的参考最大保持扭矩。紧固强度不同,保持扭矩也会发生变化。
●附带2个止动螺栓。
材质、表面处理
| DKSW | |
|---|---|
| 主体 | 铝合金 静电喷涂(亚光黑) |
| 旋转部 | 铸铁 低温镀黑铬处理 |
| 定位板 | 钢 四氧化三铁保护膜(黑) |
| 楔形支架 | 不锈钢 |
| 夹紧手柄 | 锌压铸件 静电喷涂(亚光黑) |
| 止动螺栓 M6×10 |
钢 四氧化三铁保护膜(黑) |
| 止动螺丝(润滑脂注油口) M6×6 |
钢 四氧化三铁保护膜(黑) |
特点
- 固定、旋转机床等的操作盘的单元。
- 在旋转部顶面安装操作盘。
- 操作盘配线可以从DKSW中央的孔穿过。
- 通过紧固夹紧手柄,可以锁定操作盘的旋转。
- 通过拉动夹紧手柄的杠杆部分,可以在紧固后将杠杆部分的角度变更到任意位置。
-
通过在DKSW底面的任意位置安装附带的止动螺栓,可以限制定位板的旋转角度,设定操作盘的旋转角度。
可以在60°到360°的范围内设定旋转角度。有关详细信息,请参阅“旋转角度设定表”。
使用注意事项
- 请将旋转部朝上使用。以其他方向使用可能会导致损坏。
- 转动操作盘时,请慢慢转动,以免对止动螺栓造成较大的冲击。如果对止动螺栓施加较大的冲击,则止动螺栓可能会折断,从而无法限制操作盘的旋转角度。
- 转动操作盘时,请确保操作盘周围没有人。操作盘与人接触时,可能会导致人员受伤。
- 在不使用止动螺栓的情况下,操作盘的旋转不受限制。请注意避免配线扭曲。
- 在搭载使用的操作盘时,请计算操作盘产生的力矩载荷并进行确认。如果操作盘产生的力矩载荷低于容许力矩值,则可以搭载。
操作盘产生的力矩载荷计算例
<条件>操作盘质量:30kg
从旋转单元旋转轴到操作盘重心的水平距离:112mm
操作盘的载荷
=操作盘质量×重力加速度
=30kg×9.8
=294N
操作盘产生的力矩载荷
=从旋转单元旋转轴到操作盘重心的水平距离×操作盘的载荷
=0.112m×294N
=32.9N・m
由于32.9N・m<125N・m,因此可以搭载操作盘

操作盘产生的力矩载荷和操作扭矩

操作扭矩是初始测量值,不是持续使用的保证值。
力矩载荷为0N·m时的操作转矩是不安装操作盘、以单元单体测得的值。
耐久试验数据
<试验条件>操作盘产生的力矩载荷:125 N・m
1个循环的动作:将操作盘旋转约60°,返回到原来的位置
试验循环次数:21000次
润滑脂追加注油:无
<操作扭矩的变化>
试验前:10 N・m
试验后:22 N・m
安装

*3: 不附带螺丝。
润滑脂注油方法
DKSW在出厂时已封入润滑脂。安装时不需要注油。请根据用户的使用情况进行维护。注油时,请按以下顺序进行注油。

*1: 止动螺丝的内六角孔的对边宽度公称为3mm。
*2: 不附带润滑脂嘴。
*3: 请使用稠度为1的锂基润滑脂。









