• 动力夹块(气压夹紧式)

CLHA-12-1

夹紧螺栓用支架

Holders for Clamping Bolts

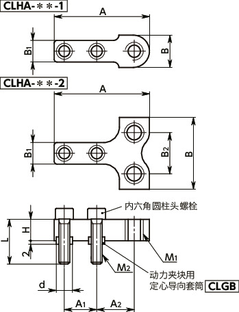
形状図

CLHA夹紧螺栓用支架寸法図

尺寸・CAD

单位 : mm

型号 B1 A A1 A2 B B2 d M1 M2 L H 质量
(g)
CAD下载 请求报价
CLHA-12-1 12 53 18 20.9 17 - 9 M10 M6 29.5 12 90 CAD 请求报价

材质、表面处理

CLHA
主体 钢(相当于S45C)
无电解镀镍
动力夹块用
定心导向套筒CLGB

四氧化三铁保护膜(黑)
内六角圆柱头螺栓
四氧化三铁保护膜(黑)

特点

  • CLPV CLPH CLPC的夹臂上安装的夹紧螺栓用的支架。
  • 可通过型号的末尾符号选择要安装的夹紧螺栓的数量。
    CLHA-**-1----1根安装型
    CLHA-**-2----2根安装型
  • CLHA-**-2通过安装两根夹紧螺栓来夹紧片状工件。
    夹紧片状工件时,适合带齿纹球头的夹紧螺栓SCB-GBSCBS-GB
  • 附带安装用内六角圆柱头螺栓和动力夹块用定心导向套筒CLGB

使用例

CLHA夹紧螺栓用支架

CLHA夹紧螺栓用支架


适用尺寸

型号 动力夹块适用尺寸
CLHA-10 CLPV-20, CLPH-20, CLPC-20
CLHA-12 CLPV-32, CLPH-32, CLPC-32
CLHA-16 CLPV-40, CLPH-40, CLPC-40
CLHA-18 CLPV-50, CLPH-50

相关产品

备有动力夹块用定心导向套筒CLGB
CLGB

CLHA夹紧螺栓用支架


型号列表

点击查看其它CLHA

点击查看其它动力夹块(气压夹紧式)