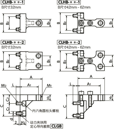
尺寸・CAD
单位 : mm
材质、表面处理
| CLHB | |
|---|---|
| 主体 | 钢(相当于S45C) 无电解镀镍 |
| 动力夹块用 定心导向套筒CLGB |
钢 四氧化三铁保护膜(黑) |
| 内六角圆柱头螺栓 | 钢 四氧化三铁保护膜(黑) |
特点
- CLPV的主体上安装的夹紧螺栓用支架。
-
可通过型号的末尾符号选择要安装的夹紧螺栓的数量。
CLHB-**-1----1根安装型
CLHB-**-2----2根安装型 -
CLHB-**-2通过安装两根夹紧螺栓来夹紧片状工件。
夹紧片状工件时,适合带齿纹球头的夹紧螺栓SCB-GB和SCBS-GB。 - 附带安装用内六角圆柱头螺栓和动力夹块用定心导向套筒CLGB。
使用例

适用尺寸
| 型号 | 动力夹块适用尺寸 |
|---|---|
| CLHB-32 | CLPV-20 |
| CLHB-42 | CLPV-32 |
| CLHB-52 | CLPV-40 |
| CLHB-62 | CLPV-50 |








