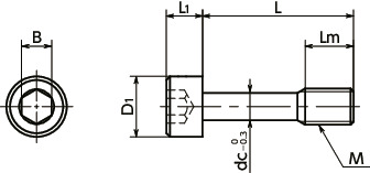
尺寸・CAD
单位 : mm
| 型号 | M(粗牙) 螺纹公称直径 |
螺距 | L | Lm | D1 | L1 | B | dc | 质量 (g) |
CAD下载 | 请求报价 |
|---|---|---|---|---|---|---|---|---|---|---|---|
| SSC-M8-16-TF | M8 | 1.25 | 16 | 10 | 13 | 8 | 6 | 6.3 | 12 | CAD | 请求报价 |
| SSC-M8-20-TF | M8 | 1.25 | 20 | 10 | 13 | 8 | 6 | 6.3 | 13 | CAD | 请求报价 |
| SSC-M8-25-TF | M8 | 1.25 | 25 | 10 | 13 | 8 | 6 | 6.3 | 15 | CAD | 请求报价 |
| SSC-M8-30-TF | M8 | 1.25 | 30 | 10 | 13 | 8 | 6 | 6.3 | 17 | CAD | 请求报价 |
| SSC-M8-35-TF | M8 | 1.25 | 35 | 10 | 13 | 8 | 6 | 6.3 | 19 | CAD | 请求报价 |
| SSC-M8-40-TF | M8 | 1.25 | 40 | 10 | 13 | 8 | 6 | 6.3 | 21 | CAD | 请求报价 |
相关服务
材质、表面处理
| SSC-TF | |
|---|---|
| 主体 | SUSXM7(相当于SUS304) PTFE(聚四氟乙烯)涂层 |
| 强度等级 | A2-70 |
用途
固定保护盖,检查盖对应CE标志
机床/食品机械/电气,电子设备
使用注意事项
- 请将盖子侧的螺孔小径设定在dc尺寸以上。
- 请将盖子厚度设定在0.8mm以上。
安装示例
请在护罩上加工螺纹孔,将SSC-TF的螺纹部穿过。由于SSC-TF的螺纹部卡在盖子的螺孔上,即使从框架上卸下螺丝,SSC-TF也不会从盖子上脱落。




/12941_1.jpg?upd=20250526114350&awscf_publishdate=2026-04-30 10:37)



