尺寸・CAD
单位 : mm
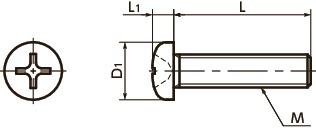
| 型号 | M(粗牙) 螺纹公称直径 |
螺距 | L | D1 | L1 | 十字槽型号 | 拉伸断裂 载荷(N)*1 |
扭转断裂 扭矩 (N・m)*1 |
每包数量 | 质量 (g) |
CAD下载 | 请求报价 |
|---|---|---|---|---|---|---|---|---|---|---|---|---|
| SPE-M1.7-4-P | M1.7 | 0.35 | 4 | 2.5 | 0.5 | 0 | 81 | 0.038 | 20 | 0.0088 | CAD | 请求报价 |
| SPE-M2-4-P | M2 | 0.4 | 4 | 3.5 | 1.3 | 1 | 165 | 0.071 | 20 | 0.023 | CAD | 请求报价 |
| SPE-M2-5-P | M2 | 0.4 | 5 | 3.5 | 1.3 | 1 | 165 | 0.071 | 20 | 0.027 | CAD | 请求报价 |
| SPE-M2-6-P | M2 | 0.4 | 6 | 3.5 | 1.3 | 1 | 165 | 0.071 | 20 | 0.03 | CAD | 请求报价 |
| SPE-M2-8-P | M2 | 0.4 | 8 | 3.5 | 1.3 | 1 | 165 | 0.071 | 20 | 0.035 | CAD | 请求报价 |
| SPE-M2-10-P | M2 | 0.4 | 10 | 3.5 | 1.3 | 1 | 165 | 0.071 | 20 | 0.042 | CAD | 请求报价 |
| SPE-M2-12-P | M2 | 0.4 | 12 | 3.5 | 1.3 | 1 | 165 | 0.071 | 20 | 0.048 | CAD | 请求报价 |
| SPE-M2.6-4-P | M2.6 | 0.45 | 4 | 4.5 | 1.7 | 1 | 291 | 0.15 | 20 | 0.044 | CAD | 请求报价 |
| SPE-M2.6-5-P | M2.6 | 0.45 | 5 | 4.5 | 1.7 | 1 | 291 | 0.15 | 20 | 0.048 | CAD | 请求报价 |
| SPE-M2.6-6-P | M2.6 | 0.45 | 6 | 4.5 | 1.7 | 1 | 291 | 0.15 | 20 | 0.055 | CAD | 请求报价 |
| SPE-M2.6-8-P | M2.6 | 0.45 | 8 | 4.5 | 1.7 | 1 | 291 | 0.15 | 20 | 0.067 | CAD | 请求报价 |
| SPE-M2.6-10-P | M2.6 | 0.45 | 10 | 4.5 | 1.7 | 1 | 291 | 0.15 | 20 | 0.077 | CAD | 请求报价 |
| SPE-M2.6-12-P | M2.6 | 0.45 | 12 | 4.5 | 1.7 | 1 | 291 | 0.15 | 20 | 0.087 | CAD | 请求报价 |
| SPE-M3-4-P | M3 | 0.5 | 4 | 5.5 | 2 | 2 | 405 | 0.21 | 20 | 0.066 | CAD | 请求报价 |
| SPE-M3-5-P | M3 | 0.5 | 5 | 5.5 | 2 | 2 | 405 | 0.21 | 20 | 0.082 | CAD | 请求报价 |
| SPE-M3-6-P | M3 | 0.5 | 6 | 5.5 | 2 | 2 | 405 | 0.21 | 20 | 0.088 | CAD | 请求报价 |
| SPE-M3-8-P | M3 | 0.5 | 8 | 5.5 | 2 | 2 | 405 | 0.21 | 20 | 0.1 | CAD | 请求报价 |
| SPE-M3-10-P | M3 | 0.5 | 10 | 5.5 | 2 | 2 | 405 | 0.21 | 20 | 0.12 | CAD | 请求报价 |
| SPE-M3-12-P | M3 | 0.5 | 12 | 5.5 | 2 | 2 | 405 | 0.21 | 20 | 0.13 | CAD | 请求报价 |
| SPE-M3-15-P | M3 | 0.5 | 15 | 5.5 | 2 | 2 | 405 | 0.21 | 20 | 0.15 | CAD | 请求报价 |
| SPE-M3-16-P | M3 | 0.5 | 16 | 5.5 | 2 | 2 | 405 | 0.21 | 20 | 0.16 | CAD | 请求报价 |
| SPE-M3-20-P | M3 | 0.5 | 20 | 5.5 | 2 | 2 | 405 | 0.21 | 20 | 0.18 | CAD | 请求报价 |
| SPE-M3-25-P | M3 | 0.5 | 25 | 5.5 | 2 | 2 | 405 | 0.21 | 20 | 0.22 | CAD | 请求报价 |
| SPE-M3-50-P | M3 | 0.5 | 50 | 5.5 | 2 | 2 | 405 | 0.21 | 20 | 0.4 | CAD | 请求报价 |
| SPE-M4-5-P | M4 | 0.7 | 5 | 7 | 2.6 | 2 | 738 | 0.47 | 20 | 0.15 | CAD | 请求报价 |
| SPE-M4-6-P | M4 | 0.7 | 6 | 7 | 2.6 | 2 | 738 | 0.47 | 20 | 0.17 | CAD | 请求报价 |
| SPE-M4-8-P | M4 | 0.7 | 8 | 7 | 2.6 | 2 | 738 | 0.47 | 20 | 0.2 | CAD | 请求报价 |
| SPE-M4-10-P | M4 | 0.7 | 10 | 7 | 2.6 | 2 | 738 | 0.47 | 20 | 0.22 | CAD | 请求报价 |
| SPE-M4-12-P | M4 | 0.7 | 12 | 7 | 2.6 | 2 | 738 | 0.47 | 20 | 0.25 | CAD | 请求报价 |
| SPE-M4-15-P | M4 | 0.7 | 15 | 7 | 2.6 | 2 | 738 | 0.47 | 20 | 0.29 | CAD | 请求报价 |
| SPE-M4-16-P | M4 | 0.7 | 16 | 7 | 2.6 | 2 | 738 | 0.47 | 20 | 0.3 | CAD | 请求报价 |
| SPE-M4-20-P | M4 | 0.7 | 20 | 7 | 2.6 | 2 | 738 | 0.47 | 20 | 0.35 | CAD | 请求报价 |
| SPE-M4-25-P | M4 | 0.7 | 25 | 7 | 2.6 | 2 | 738 | 0.47 | 20 | 0.42 | CAD | 请求报价 |
| SPE-M4-30-P | M4 | 0.7 | 30 | 7 | 2.6 | 2 | 738 | 0.47 | 20 | 0.48 | CAD | 请求报价 |
| SPE-M4-40-P | M4 | 0.7 | 40 | 7 | 2.6 | 2 | 738 | 0.47 | 20 | 0.61 | CAD | 请求报价 |
| SPE-M5-6-P | M5 | 0.8 | 6 | 9 | 3.3 | 2 | 1234 | 0.96 | 10 | 0.33 | CAD | 请求报价 |
| SPE-M5-8-P | M5 | 0.8 | 8 | 9 | 3.3 | 2 | 1234 | 0.96 | 10 | 0.37 | CAD | 请求报价 |
| SPE-M5-10-P | M5 | 0.8 | 10 | 9 | 3.3 | 2 | 1234 | 0.96 | 10 | 0.41 | CAD | 请求报价 |
| SPE-M5-12-P | M5 | 0.8 | 12 | 9 | 3.3 | 2 | 1234 | 0.96 | 10 | 0.45 | CAD | 请求报价 |
| SPE-M5-15-P | M5 | 0.8 | 15 | 9 | 3.3 | 2 | 1234 | 0.96 | 10 | 0.51 | CAD | 请求报价 |
| SPE-M5-16-P | M5 | 0.8 | 16 | 9 | 3.3 | 2 | 1234 | 0.96 | 10 | 0.52 | CAD | 请求报价 |
| SPE-M5-20-P | M5 | 0.8 | 20 | 9 | 3.3 | 2 | 1234 | 0.96 | 10 | 0.6 | CAD | 请求报价 |
| SPE-M5-25-P | M5 | 0.8 | 25 | 9 | 3.3 | 2 | 1234 | 0.96 | 10 | 0.7 | CAD | 请求报价 |
| SPE-M5-30-P | M5 | 0.8 | 30 | 9 | 3.3 | 2 | 1234 | 0.96 | 10 | 0.8 | CAD | 请求报价 |
| SPE-M6-10-P | M6 | 1 | 10 | 10.5 | 3.9 | 3 | 1749 | 1.64 | 10 | 0.65 | CAD | 请求报价 |
| SPE-M6-12-P | M6 | 1 | 12 | 10.5 | 3.9 | 3 | 1749 | 1.64 | 10 | 0.71 | CAD | 请求报价 |
| SPE-M6-15-P | M6 | 1 | 15 | 10.5 | 3.9 | 3 | 1749 | 1.64 | 10 | 0.82 | CAD | 请求报价 |
| SPE-M6-16-P | M6 | 1 | 16 | 10.5 | 3.9 | 3 | 1749 | 1.64 | 10 | 0.83 | CAD | 请求报价 |
| SPE-M6-20-P | M6 | 1 | 20 | 10.5 | 3.9 | 3 | 1749 | 1.64 | 10 | 0.94 | CAD | 请求报价 |
| SPE-M6-25-P | M6 | 1 | 25 | 10.5 | 3.9 | 3 | 1749 | 1.64 | 10 | 1.1 | CAD | 请求报价 |
| SPE-M6-30-P | M6 | 1 | 30 | 10.5 | 3.9 | 3 | 1749 | 1.64 | 10 | 1.2 | CAD | 请求报价 |
| SPE-M8-12-P | M8 | 1.25 | 12 | 14 | 5.2 | 3 | 3261 | 3.68 | 5 | 1.8 | CAD | 请求报价 |
| SPE-M8-15-P | M8 | 1.25 | 15 | 14 | 5.2 | 3 | 3261 | 3.68 | 5 | 1.6 | CAD | 请求报价 |
| SPE-M8-16-P | M8 | 1.25 | 16 | 14 | 5.2 | 3 | 3261 | 3.68 | 5 | 1.7 | CAD | 请求报价 |
| SPE-M8-20-P | M8 | 1.25 | 20 | 14 | 5.2 | 3 | 3261 | 3.68 | 5 | 1.9 | CAD | 请求报价 |
| SPE-M8-25-P | M8 | 1.25 | 25 | 14 | 5.2 | 3 | 3261 | 3.68 | 5 | 2.2 | CAD | 请求报价 |
| SPE-M8-30-P | M8 | 1.25 | 30 | 14 | 5.2 | 3 | 3261 | 3.68 | 5 | 2.8 | CAD | 请求报价 |
*1: 表中数值仅供参考,并非保证值。推荐紧固扭矩为扭转断裂扭矩的50%。
●数量未满1包的订单,会另外收取手续费。详情请垂询散装零售服务。
相关服务
材质、表面处理
| SPE-P | |
|---|---|
| 主体 | PEEK(聚醚醚酮)(淡茶) |
| 耐热温度*1 | 260℃ |
*1: 树脂材料的数值。视紧固扭矩等使用条件的不同,商品的最高使用温度会发生变化。
用途
FPD生产设备/半导体生产设备/印刷电路板蚀刻设备/金属表面处理设备/化工厂/变压器/电气与电子设备/热水泵/化学泵特点
- PEEK制十字槽盘头小螺钉。
- PEEK是理化特性优异的热可塑性超级工程塑料。
- 具有优良的耐药性。几乎不受浓硫酸、浓硝酸、浓氢氟酸以外的药品的侵蚀。
- 耐热性与耐水性优良,耐热强度高。
- 耐磨性、耐冲击性与耐疲劳性优良。
- 具有满足UL94标准中V-0级别的高阻燃性。
- 有关树脂螺丝的特性和使用注意事项,请参阅“树脂螺丝的特性”。⇒树脂螺丝的特性










