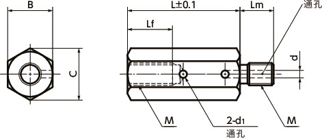
单位 : mm
| 型号 | M(粗牙) 螺纹公称直径 |
螺距 | L | d | d1 | B | C(约) | Lm | Lf | d max. |
质量 (g) |
CAD下载 | 请求报价 |
|---|---|---|---|---|---|---|---|---|---|---|---|---|---|
| SHVAS-M8-40 | M8 | 1.25 | 40 | 2 | 1.5 | 13 | 15 | 12 | 16 | 2 | 44 | CAD | 请求报价 |
●如有订购多件相同尺寸的商品,我们将统一进行无尘包装。
材质、表面处理
| SHVAS | |
|---|---|
| 主体 | SUS304 |
用途
真空装置/真空容器/FPD制造装置/半导体制造装置/电子显微镜特点
- 单侧外螺纹、单侧内螺纹六角支柱。
- 通孔易于排出蓄积于设备、装置的螺丝孔底部的气体,为真空装置的真空抽吸提供支持。
- 也可将2个以上的六角支柱连在一起使用。
- 经过无尘洗净・无尘包装。⇒无尘洗净、无尘包装服务
使用例
对需要排出蓄积于螺丝孔底部的气体的真空装置、真空容器有效。



