尺寸・CAD
单位 : mm
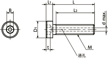
| 型号 | M(粗牙) 螺纹公称直径 |
螺距 | L | D1 | L1 | B*1 | t | L2 | d max. | 每包数量 | 质量 (g) |
CAD下载 | 请求报价 |
|---|---|---|---|---|---|---|---|---|---|---|---|---|---|
| SVLS-M5-8 | M5 | 0.8 | 8 | 8.5 | 3.5 | 3 | 2.7 | 全螺纹 | 1.5 | 10 | 1.8 | CAD | 请求报价 |
| SVLS-M5-10 | M5 | 0.8 | 10 | 8.5 | 3.5 | 3 | 2.7 | 全螺纹 | 1.5 | 10 | 2 | CAD | 请求报价 |
| SVLS-M5-12 | M5 | 0.8 | 12 | 8.5 | 3.5 | 3 | 2.7 | 全螺纹 | 1.5 | 10 | 2.3 | CAD | 请求报价 |
| SVLS-M5-16 | M5 | 0.8 | 16 | 8.5 | 3.5 | 3 | 2.7 | 全螺纹 | 1.5 | 10 | 2.8 | CAD | 请求报价 |
| SVLS-M5-20 | M5 | 0.8 | 20 | 8.5 | 3.5 | 3 | 2.7 | 全螺纹 | 1.5 | 10 | 3.3 | CAD | 请求报价 |
*1: SVLS-M10将六角孔的对边宽度从7mm变更为6mm。
●数量未满1包的订单,会另外收取手续费。详情请垂询散装零售服务。
材质、表面处理
| SVLS | |
|---|---|
| 主体 | SUSXM7(相当于SUS304) |
| 强度等级 | A2-50 |
用途
真空装置/真空容器/FPD制造装置/半导体制造装置/电子显微镜特点
- 通孔易于排出蓄积于设备、装置的螺丝孔底部的气体,为真空装置的真空抽吸提供支持。
- 头部高度较低的内六角圆柱头螺栓。可实现设备、装置的小型化或用于上部空间有限的用途。
- 已完成无尘洗净、无尘包装。⇒无尘洗净、无尘包装服务
使用例
对需要排出蓄积于螺丝孔底部的气体的真空装置、真空容器有效。









