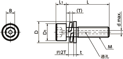
单位 : mm
| 型号 | M(粗牙) 螺纹公称直径 |
螺距 | L | D1 | D | L1 | B | t | T(约) | d max. |
毎包数量 | 质量 (g) |
CAD下载 | 请求报价 |
|---|---|---|---|---|---|---|---|---|---|---|---|---|---|---|
| SVSQS-M4-30 | M4 | 0.7 | 30 | 7 | 9 | 4 | 3 | 0.8 | 1 | 1.5 | 10 | 4.2 | CAD | 请求报价 |
●数量未满1包的订单,会另外收取手续费。详情请垂询散装零售服务。
材质、表面处理
| SVSQS | |
|---|---|
| 螺纹主体 | SUSXM7(相当于SUS304) |
| 螺纹主体强度等级 | A2-70 |
| 平垫圈 | SUS304 |
| 弹簧垫圈 | SUS304 |
用途
真空装置/真空容器/FPD制造装置/半导体制造装置/电子显微镜特点
- 通孔易于排出蓄积于设备、装置的螺丝孔底部的气体,为真空装置的真空抽吸提供支持。
- 螺丝中装入了平垫圈和弹簧垫圈,无需担心脱落。
- 无需进行垫圈的装配操作。易于在无尘室内戴手套操作。
- 经过无尘洗净・无尘包装。⇒无尘洗净、无尘包装服务



