尺寸・CAD
单位 : mm
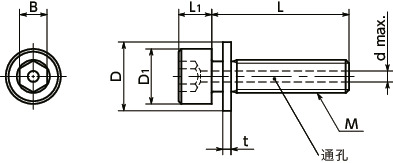
| 型号 | M(粗牙) 螺纹公称直径 |
螺距 | L | D1 | D | L1 | B | t | d max. | 每包数量 | 质量 (g) |
CAD下载 | 请求报价 |
|---|---|---|---|---|---|---|---|---|---|---|---|---|---|
| SVSI1S-M5-6-PC | M5 | 0.8 | 6 | 8.5 | 10 | 5 | 4 | 1 | 1.5 | 10 | 2.6 | CAD | 请求报价 |
| SVSI1S-M5-8-PC | M5 | 0.8 | 8 | 8.5 | 10 | 5 | 4 | 1 | 1.5 | 10 | 2.9 | CAD | 请求报价 |
| SVSI1S-M5-10-PC | M5 | 0.8 | 10 | 8.5 | 10 | 5 | 4 | 1 | 1.5 | 10 | 3.1 | CAD | 请求报价 |
| SVSI1S-M5-12-PC | M5 | 0.8 | 12 | 8.5 | 10 | 5 | 4 | 1 | 1.5 | 10 | 3.4 | CAD | 请求报价 |
| SVSI1S-M5-16-PC | M5 | 0.8 | 16 | 8.5 | 10 | 5 | 4 | 1 | 1.5 | 10 | 3.9 | CAD | 请求报价 |
| SVSI1S-M5-20-PC | M5 | 0.8 | 20 | 8.5 | 10 | 5 | 4 | 1 | 1.5 | 10 | 4.4 | CAD | 请求报价 |
| SVSI1S-M5-25-PC | M5 | 0.8 | 25 | 8.5 | 10 | 5 | 4 | 1 | 1.5 | 10 | 5.2 | CAD | 请求报价 |
| SVSI1S-M5-30-PC | M5 | 0.8 | 30 | 8.5 | 10 | 5 | 4 | 1 | 1.5 | 10 | 6 | CAD | 请求报价 |
| SVSI1S-M5-35-PC | M5 | 0.8 | 35 | 8.5 | 10 | 5 | 4 | 1 | 1.5 | 10 | 6.7 | CAD | 请求报价 |
| SVSI1S-M5-40-PC | M5 | 0.8 | 40 | 8.5 | 10 | 5 | 4 | 1 | 1.5 | 10 | 7.5 | CAD | 请求报价 |
●数量未满1包的订单,会另外收取手续费。详情请垂询散装零售服务。
相关服务
材质、表面处理
| SVSI1S-PC | |
|---|---|
| 螺纹主体 | SUSXM7(相当于SUS304) 特殊表面处理 |
| 螺纹主体强度等级 | A2-70 |
| 平垫圈 | SUS304 特殊表面处理 |
用途
半导体生产设备/设备・装置构造体/海洋设备/一般工业机械特点
- 通孔易于排出蓄积于设备、装置的螺丝孔底部的气体,为真空装置的真空抽吸提供支持。
- 通孔的加工采用了对金属组织影响很小的加工方法。可抑制使用时的脆性破坏和在真空环境下发生漏气。
- 通过特殊表面处理对表面进行了改质。漏气量极小。最适合在中等真空环境下使用。
- 螺丝中装入了平垫圈,无需担心脱落。(垫圈简称:I=1)
- 锪孔中使用垫圈时,螺栓和垫圈可以同时拆装,操作性更优异。
- 无需进行垫圈装入作业。易于在无尘室内戴手套操作。
- 已完成无尘洗净、无尘包装。⇒无尘洗净、无尘包装服务







