• 特殊螺丝
  • 简单操作

SETA-M3-10

铝制梅花槽超短头螺栓

Hexalobular Socket Head Cap Screws with Super Ultra Low Profile - Aluminum

  • 空间
  • 轻量
  • 防止紧固孔损坏

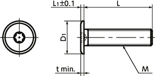
形状図

SETA铝制梅花槽超级短头螺栓寸法図

单位 : mm

型号 M(粗牙)
螺纹公称直径
螺距 L D1 L1 适用扳手 梅花槽
序号No.
t 最大紧固
扭矩(N·m)
每包
数量
质量
(g)
CAD下载 请求报价
SETA-M3-10 M3 0.5 10 7-0.5~0 0.8 SKX-6 6 0.75 0.23 10 0.19 CAD 请求报价

没有符合上述条件的产品。

对不起,没有符合您所填内容的产品。
请变更输入值,再次搜索。

锅屋百迪公司也可根据客户的要求进行产品的客制化。
欢迎利用咨询表格向我们咨询。

锅屋百迪公司
客户中心

有关客制化等产品方面的咨询,请由此咨询。

由此咨询

●数量未满1包的订单,会另外收取手续费。详情请垂询散装零售服务。


相关服务

材质、表面处理

SETA
主体 A5056

用途

设备和装置的省空间化

特点

  • 铝合金制梅花槽超级短头螺栓。
  • 比重约为不锈钢的33%。
  • 不会由于与铝合金接触而发生电腐蚀。
  • 头部厚度极薄的梅花槽*1螺栓。
  • 可节省设备与装置的空间或用于上部空间有限的部位。
  • 梅花槽*1为能承受高紧固扭矩的形状。⇒梅花槽螺丝的特点
  • 请将专用扳手SKX或专用螺丝批头SKXB与专用磁性螺丝刀SRD组合使用以进行安装、拆卸。
  • 在狭窄场所安装、拆卸时,请使用对应窄处作业梅花槽扳手SKX-N
  • 也生产阳极氧化处理产品。请垂询客户中心。

*1: 梅花槽的形状在JIS B 1015:2008(ISO 10664:2005)“外螺纹零部件用梅花槽”中有规定。


相关产品

SKX梅花槽扳手
SKX

SETA铝制梅花槽超级短头螺栓

SKX-N对应窄处作业梅花槽扳手
SKX-N

SETA铝制梅花槽超级短头螺栓

SKXB梅花槽短螺丝批头
SKXB

SETA铝制梅花槽超级短头螺栓

SRD磁性螺丝刀
SRD

SETA铝制梅花槽超级短头螺栓


型号列表

点击查看其它SETA-M3

点击查看其它SETA