尺寸・CAD
单位 : mm
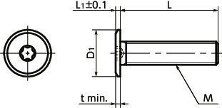
| 型号 | M(粗牙) 螺纹公称直径 |
螺距 | L | D1 | L1 | 适用扳手 | 梅花槽 序号No. |
t | 最大紧固 扭矩(N·m) |
每包 数量 |
质量 (g) |
CAD下载 | 请求报价 |
|---|---|---|---|---|---|---|---|---|---|---|---|---|---|
| SETA-M4-8 | M4 | 0.7 | 8 | 8-0.5~0 | 0.9 | SKX-8 | 8 | 0.9 | 1 | 10 | 0.25 | CAD | 请求报价 |
| SETA-M4-10 | M4 | 0.7 | 10 | 8-0.5~0 | 0.9 | SKX-8 | 8 | 0.9 | 1 | 10 | 0.32 | CAD | 请求报价 |
| SETA-M4-12 | M4 | 0.7 | 12 | 8-0.5~0 | 0.9 | SKX-8 | 8 | 0.9 | 1 | 10 | 0.37 | CAD | 请求报价 |
| SETA-M4-16 | M4 | 0.7 | 16 | 8-0.5~0 | 0.9 | SKX-8 | 8 | 0.9 | 1 | 10 | 0.47 | CAD | 请求报价 |
●数量未满1包的订单,会另外收取手续费。详情请垂询散装零售服务。
相关服务
材质、表面处理
| SETA | |
|---|---|
| 主体 | A5056 |
用途
设备和装置的省空间化特点
- 铝合金制梅花槽超级短头螺栓。
- 比重约为不锈钢的33%。
- 不会由于与铝合金接触而发生电腐蚀。
- 头部厚度极薄的梅花槽*1螺栓。
- 可节省设备与装置的空间或用于上部空间有限的部位。
- 梅花槽*1为能承受高紧固扭矩的形状。⇒梅花槽螺丝的特点
- 请将专用扳手SKX或专用螺丝批头SKXB与专用磁性螺丝刀SRD组合使用以进行安装、拆卸。
- 在狭窄场所安装、拆卸时,请使用对应窄处作业梅花槽扳手SKX-N。
- 也生产阳极氧化处理产品。请垂询客户中心。
*1: 梅花槽的形状在JIS B 1015:2008(ISO 10664:2005)“外螺纹零部件用梅花槽”中有规定。











