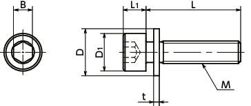
尺寸・CAD
单位 : mm
| 型号 | M(粗牙) 螺纹公称直径 |
螺距 | L | D1 | D | L1 | B | t | 每包数量 | 质量 (g) |
CAD下载 | 请求报价 |
|---|---|---|---|---|---|---|---|---|---|---|---|---|
| SNSI1T-M3-8-UT | M3 | 0.5 | 8 | 5.5 | 7 | 3 | 2.5 | 0.5 | 10 | 0.52 | CAD | 请求报价 |
| SNSI1T-M3-10-UT | M3 | 0.5 | 10 | 5.5 | 7 | 3 | 2.5 | 0.5 | 10 | 0.57 | CAD | 请求报价 |
| SNSI1T-M3-12-UT | M3 | 0.5 | 12 | 5.5 | 7 | 3 | 2.5 | 0.5 | 10 | 0.61 | CAD | 请求报价 |
| SNSI1T-M3-16-UT | M3 | 0.5 | 16 | 5.5 | 7 | 3 | 2.5 | 0.5 | 10 | 0.73 | CAD | 请求报价 |
●数量未满1包的订单,会另外收取手续费。详情请垂询散装零售服务。
相关服务
材质、表面处理
| SNSI1T-UT | |
|---|---|
| 螺纹主体 | TW340(2类钛) |
| 平垫圈*1 | TP340(2类钛) |
*1: SNSI1T-M3-UT的材质为TP270(1类钛)。
用途
汽车、航空宇宙设备、机器人等的轻量化FPD制造装置/半导体制造装置/电气・电子设备/海洋设备/电镀设备/一般制造装置
特点
- 钛合金制带垫圈内六角圆柱头螺栓。
- 螺丝中装入了平垫圈,无需担心脱落。(垫圈简称:I=1)
- 锪孔中使用垫圈时,螺栓和垫圈可以同时拆装,操作性更优异。
- 比重约为不锈钢的60%。
- 无磁性。
- 耐药品性、耐海水性优异。
机械性质
| TW270(1类钛) | TW340(2类钛) | |
|---|---|---|
| 拉伸强度(N/mm2) | 270-410 | 340-510 |
| 0.2%承压力(N/mm2) | 165以上 | 215以上 |
| 伸长率(%) | 27以上 | 23以上 |
表中数值仅供参考,并非保证值。
物性
| TW270(1类钛) TW340(2类钛) |
|
|---|---|
| 比重 | 4.51 |
| 熔点(℃) | 1668 |
| 纵向弹性系数(GPa) | 106 |
| 热传导率(W/(m・K)) | 17.16 |
| 线膨胀系数(K-1) | 8.4×10-6 |
| 电阻率(μΩ・m) | 0.55 |
| 磁导率(μ) | 1.0001(无磁) |
表中数值仅供参考,并非保证值。







