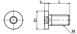
单位 : mm
| 型号 | M(粗牙) 螺纹公称直径 |
螺距 | L | D1 | L1 | 适用扳手 | 梅花槽 序号No. | 拉伸断裂 载荷(N)*1 |
扭转断裂 扭矩 (N・m)*1 |
每包数量 | 质量 (g) |
CAD下载 | 请求报价 |
|---|---|---|---|---|---|---|---|---|---|---|---|---|---|
| SPS-M6-30-SH | M6 | 1 | 30 | 10 | 1.5 | SKX-20 | 20 | 1177 | 1.13 | 10 | 1.21 | CAD | 请求报价 |
*1: 表中数值仅供参考,并非保证值。推荐紧固扭矩为扭转断裂扭矩的50%。
●数量未满1包的订单,会另外收取手续费。详情请垂询散装零售服务。
相关服务
材质、表面处理
| SPS-SH | |
|---|---|
| 主体 | PPS(聚苯硫醚)(亮淡茶) (玻璃纤维40%) |
| 耐热温度*1 | 200℃ |
*1: 树脂材料的数值。视紧固扭矩等使用条件的不同,商品的最高使用温度会发生变化。
用途
FPD生产设备/半导体生产设备/印刷电路板蚀刻设备/金属表面处理设备/化工厂/变压器/电气与电子设备/热水泵/
化学泵
特点
- PPS制极短头螺栓。头部高度均在1.5mm以下。
- PPS具有优良的耐热性与耐药品性,可在200℃下连续使用。没有可在200℃以下溶解PPS的油脂或有机溶剂。
- 具有高强度与高刚性,耐热强度高。
- 具有满足UL94标准中V-0级别的高阻燃性。
- 凹孔采用可承受大紧固扭矩的梅花槽*1。⇒梅花槽螺丝的特点
- 请将专用扳手SKX或专用螺丝批头SKXB与专用磁性螺丝刀SRD组合使用以进行安装、拆卸。
- 在狭窄场所安装、拆卸时,请使用对应窄处作业梅花槽扳手SKX-N。
- 有关树脂螺丝的特性和使用注意事项⇒树脂螺丝的特性
*1: 梅花槽的形状在JIS B 1015:2008(ISO 10664:2005)“外螺纹零部件用梅花槽”中有规定。








