• 特殊螺丝
  • 轻量

SVSA-M4-12

铝合金内六角圆柱头螺栓(通孔型)

Vented Socket Head Cap Screws - Aluminum

  • 真空
  • 无尘
  • 轻量

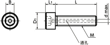
形状図

SVSA铝合金内六角圆柱头螺栓(通孔型)寸法図

单位 : mm

型号 M(粗牙)
螺纹公称直径
螺距 L D1 L1 B d max. 质量
(g)
CAD下载 请求报价
SVSA-M4-12 M4 0.7 12 7 4 3 1.5 0.66 CAD 请求报价

●如有订购多件相同尺寸的商品,我们将统一进行无尘包装。

没有符合上述条件的产品。

对不起,没有符合您所填内容的产品。
请变更输入值,再次搜索。

锅屋百迪公司也可根据客户的要求进行产品的客制化。
欢迎利用咨询表格向我们咨询。

锅屋百迪公司
客户中心

有关客制化等产品方面的咨询,请由此咨询。

由此咨询

材质、表面处理

SVSA
主体 A5056

用途

可实现机器、设备轻量化
真空装置/真空容器/FPD制造装置/半导体制造装置/电子显微镜

特点

  • 铝合金内六角圆柱头螺栓SNSA的通孔型产品。
  • 通孔易于排出蓄积于设备、装置的螺丝孔底部的气体,为真空装置的真空抽吸提供支持。
  • 用于铝合金材料的连接。
  • 比重约为不锈钢的33%。可实现机器、设备轻量化。
  • 不会由于与铝合金接触而发生电腐蚀。
  • 耐腐蚀、导电性、热传导性优良。
  • 已完成无尘洗净、无尘包装。⇒无尘洗净、无尘包装服务

机械性质

A5056 SUS304
拉伸强度(N/mm2 294 520以上
0.2%承压力(N/mm2 245 205以上
伸长率(%) 12 40以上
硬度(HB) 98 187以下

表中数值非保证值,仅供参考。


物性

A5056 SUS304
比重 2.64 7.93
纵向弹性系数(GPa) 71.7 193
比热(J/kg・K) 904 500
电阻率(μΩ・m) 0.064 0.7
热传导率(W/(m・K)) 112 17
线性膨胀系数(K-1 24.1×10-6 17.3×10-6

表中数值非保证值,仅供参考。


型号列表

点击查看其它SVSA-M4

点击查看其它SVSA