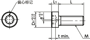
单位 : mm
| 型号 | M(粗牙) 螺纹公称直径 |
螺距 | L | D1 | L1 | e | 适用扳手 | 梅花槽序号 No. |
t | 质量 (g) |
CAD下载 | 请求报价 |
|---|---|---|---|---|---|---|---|---|---|---|---|---|
| SLEC-M5-A | M5 | 0.8 | 10 | 8.5 | 4 | 0.4 | SKX-20 | 20 | 1.5 | 2.6 | CAD | 请求报价 |
材质、表面处理
| SLEC-A | |
|---|---|
| 主体 | SCM435 四氧化三铁保护膜(黑) |
| 强度等级 | 10.9 |
用途
直线导轨用轨道的固定/工件・夹具的固定特点
- 紧固螺丝时,从螺丝的轴心发生偏心的头部可强力夹紧工件。通过楔效应,可利用很小的紧固扭矩获得极大的夹紧力。
-
采用可承受大紧固扭矩的梅花槽*1。
⇒梅花槽螺丝的特点 - 请使用专用扳手SKX进行安装、拆卸。
- 在狭窄场所安装、拆卸时,请使用对应窄处作业梅花槽扳手SKX-N。
- 适用于固定直线导轨的轨道。偏心后的头部将直线导轨用轨道压紧于安装基准面,从而能够在安装时轻松确保精度。并且,能够防止长期使用后产生的翘曲和错位,保持安装精度。
- SLEC-A-EL为无电解镀镍型。适用于需要具有耐腐蚀的场合。
*1: 梅花槽的形状在JIS B 1015:2008(ISO 10664:2005)“外螺纹零部件用梅花槽”中有规定。
使用例
直线导轨用轨道的固定。
参见安装尺寸的s max.尺寸,偏心夹紧螺栓可能与线轨滑座等接触时,请降低偏心夹紧螺栓的安装面以避免接触。
使用于导轨时,请压在导轨主体安装螺栓的位置。
安装方法

安装尺寸
单位 : mm
| 型号 | 型号 | E | M | 调节范围 min./max. |
s max. |
|---|---|---|---|---|---|
| SLEC-M3-A | SLEC-M3-A-EL | 3.10~+0.3 | M3 | -0.1/0.7 | 3.3 |
| SLEC-M4-A | SLEC-M4-A-EL | 3.150~+0.3 | M4 | -0.05/0.75 | 4.1 |
| SLEC-M5-A | SLEC-M5-A-EL | 3.90~+0.3 | M5 | -0.05/0.75 | 5.3 |
| SLEC-M6-A | SLEC-M6-A-EL | 4.650~+0.3 | M6 | -0.15/0.85 | 5.5 |
| SLEC-M8-A | SLEC-M8-A-EL | 6.050~+0.5 | M8 | -0.35/1.25 | 7 |
| SLEC-M10-A | SLEC-M10-A-EL | 7.50~+0.5 | M10 | -0.5/1.5 | 9.5 |
| SLEC-M12-A | SLEC-M12-A-EL | 8.50~+0.5 | M12 | -0.5/1.5 | 10.9 |

线性导轨用导轨的推荐尺寸
单位 : mm
| 导轨公称尺寸 | 轨道宽度 W |
适用偏心夹紧螺栓 | |
|---|---|---|---|
| #9 | 9 | SLEC-M3-A | SLEC-M4-A |
| #12 | 12 | SLEC-M3-A | SLEC-M4-A |
| #15 | 15 | SLEC-M3-A | SLEC-M4-A |
| #20 | 20 | SLEC-M4-A | SLEC-M5-A |
| #25 | 23 | SLEC-M5-A | SLEC-M6-A |
| #30 | 28 | SLEC-M6-A | SLEC-M8-A |
| #35 | 34 | SLEC-M8-A | SLEC-M10-A |
| #45 | 45 | SLEC-M10-A | SLEC-M12-A |
| #55 | 53 | SLEC-M12-A | |









