• 特殊螺丝
  • 短头・小头螺丝

SSC-SLHL-M6-12

内六角短头防脱落螺钉(SUS316L)

Socket Head Cap Captive Screws with Low Profile - 316L Stainless Steel

  • 空间
  • 耐热
  • 耐药品
  • 非磁性
  • 防丢失

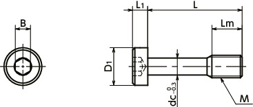
形状図

SSC-SLHL内六角短头防脱落螺钉(SUS316L)寸法図

单位 : mm

型号 M(粗牙)
螺纹公称直径
螺距 L Lm D1 L1 B dc 质量
(g)
CAD下载 请求报价
SSC-SLHL-M6-12 M6 1 12 8 10 4 4 4.5 3.8 CAD 请求报价

没有符合上述条件的产品。

对不起,没有符合您所填内容的产品。
请变更输入值,再次搜索。

锅屋百迪公司也可根据客户的要求进行产品的客制化。
欢迎利用咨询表格向我们咨询。

锅屋百迪公司
客户中心

有关客制化等产品方面的咨询,请由此咨询。

由此咨询

特点

  • 防止螺丝的脱落、丢失。用于固定频繁安装、拆卸的保护盖及检查盖。
  • 适用于对应CE标志。⇒请使用NBK的防脱落螺钉系列来对应CE标志
  • SUS316L制内六角短头螺栓。
  • 可节省设备与装置的空间或用于上部空间有限的部位。
  • 与SUS304相比,SUS316L具有耐氢脆性、耐氟气、耐氯气、耐热性优良的特点。而且,对于化学药品和海洋性环境,具有比SUS304更优越的耐腐蚀性。
  • SUS316L为非磁性材料。
  • 为了与SSCLS区别,对SSC-SLHL进行了如下加工:

SSC-SLHL内六角短头防脱落螺钉(SUS316L)


材质、表面处理

SSC-SLHL
主体 SUS316L
强度等级 A4-70

一看就会的产品使用要领解说

短片为使用SSCSSC)的示例。本产品也可进行同样的操作。


相关服务

用途

固定保护盖、检查盖
对应CE标志
机床/食品机械/电气、电子设备

使用注意事项

  • 请将盖子侧的螺孔小径设定在dc尺寸以上。
  • 请将盖子厚度设定在0.8mm以上。

安装示例

请在护罩上加工螺纹孔,将SSC-SLHL的螺纹部穿过。由于SSC-SLHL的螺纹部卡在盖子的螺孔上,即使从框架上卸下螺丝,SSC-SLHL也不会从盖子上脱落。

SSC-SLHL内六角短头防脱落螺钉(SUS316L)


型号列表

点击查看其它SSC-SLHL-M6

点击查看其它SSC-SLHL