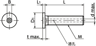
单位 : mm
| 型号 | M(粗牙) 螺纹公称直径 |
螺距 | L | D1 | L1 | B | t max. | d max. | 每包数量 | 质量 (g) |
CAD下载 | 请求报价 |
|---|---|---|---|---|---|---|---|---|---|---|---|---|
| SVSHL-M5-8 | M5 | 0.8 | 8 | 9 | 1.5 | 3 | 3 | 1.5 | 10 | 1.4 | CAD | 请求报价 |
●数量未满1包的订单,会另外收取手续费。详情请垂询散装零售服务。
特点
- 通孔易于排出蓄积于设备、装置的螺丝孔底部的气体,为真空装置的真空抽吸提供支持。
- 高强度内六角极短头螺栓。头部高度均在1.5mm以下。可实现设备、装置的小型化或用于上部空间有限的用途。
- SUS316L制。耐腐蚀性优良。
- 无磁性。
- 已完成无尘洗净、无尘包装。⇒无尘洗净、无尘包装服务
- 为了区别SVSHL和SVSHS,螺丝的前端实施了凹端加工。
材质、表面处理
| SVSHL | |
|---|---|
| 主体 | SUS316L |
| 强度等级 | A4-70 |
用途
真空装置/真空容器/FPD制造装置/半导体制造装置/电子显微镜使用例
对需要排出蓄积于螺丝孔底部的气体的真空装置、真空容器有效。



