• 特殊螺丝
  • 耐药性

SNST-M3-20-SD

纯钛内六角小头螺栓

Socket Head Cap Screws with Small Head - Titanium

  • 无尘
  • 耐药品
  • 非磁性
  • 轻量
  • 薄型
  • 低排气

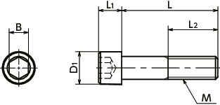
形状図

SNST-SD纯钛内六角小头螺栓寸法図

单位 : mm

型号 M(粗牙)
螺纹公称直径
螺距 L D1 L1 B L2 质量
(g)
CAD下载 请求报价
SNST-M3-20-SD M3 0.5 20 4.5 3 2.5 全螺纹 0.66 CAD 请求报价

●如有订购多件相同尺寸的商品,我们将统一进行无尘包装。

没有符合上述条件的产品。

对不起,没有符合您所填内容的产品。
请变更输入值,再次搜索。

锅屋百迪公司也可根据客户的要求进行产品的客制化。
欢迎利用咨询表格向我们咨询。

锅屋百迪公司
客户中心

有关客制化等产品方面的咨询,请由此咨询。

由此咨询

相关服务

材质、表面处理

SNST-SD
主体 TW340(2类钛)

用途

汽车、航空宇宙设备、机器人等的轻量化
FPD制造装置/半导体制造装置/电气·电子设备/海洋设备/电镀设备

特点

  • 头部直径较小的内六角圆柱头螺栓。可形成比普通的内六角圆柱头螺栓更小的锪孔直径。
  • 比重约为不锈钢的60%。
  • 无磁性。
  • 耐药品性、耐海水性优异。
  • 钛合金材质的特性请参阅“钛合金的特性”。⇒钛的特性
  • 通过特殊表面处理对表面进行了改质。而且已完成无尘洗净、无尘包装。是没有油污及脏物附着的无尘规格。⇒无尘洗净、无尘包装服务


使用例

还能对普通的内六角圆柱头螺栓未能进行锪孔加工的部位进行锪孔加工,从而可以隐藏头部。

SNST-SD纯钛内六角小头螺栓


使用注意事项

  • 头部底座面的面积小,底座面压力高。
  • 请参考以下公式,注意不要让由螺丝紧固而形成的底座面压力超出被紧固材料的容许表面压力。

SNST-SD纯钛内六角小头螺栓

头部直径和螺丝有效截面积

型号 头部直径(mm) 螺丝有效截面积(mm2
SNST-M3-SD 4.5 5.03
SNST-M4-SD 5.5 8.78
SNST-M5-SD 7 14.2
SNST-M6-SD 8.5 20.1

机械性质

TW340(2类钛)
拉伸强度(N/mm2 340-510
0.2%承压力(N/mm2 215以上
伸长率(%) 23以上

表中数值仅供参考,并非保证值。


物性

TW340(2类钛)
比重 4.51
熔点(℃) 1668
纵向弹性系数(GPa) 106
热传导率(W/(m・K)) 17.16
线性膨胀系数(K-1 8.4×10-6
电阻率(μΩ・m) 0.55
磁导率(μ) 1.0001(无磁)

表中数值仅供参考,并非保证值。


型号列表

点击查看其它SNST-M3-SD

点击查看其它SNST-SD