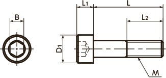
单位 : mm
| 型号 | M(粗牙) 螺纹公称直径 |
螺距 | L | D1 | L1 | B | L2 | 拉伸断裂 载荷(N)*1 |
质量 (g) |
CAD下载 | 请求报价 |
|---|---|---|---|---|---|---|---|---|---|---|---|
| SNSTG-M8-30 | M8 | 1.25 | 30 | 13 | 8 | 6 | 全螺纹 | 33700 | 9.6 | CAD | 请求报价 |
*1: 表中数值仅供参考,并非保证值。
●如有订购多件相同尺寸的商品,我们将统一进行无尘包装。
材质、表面处理
| SNSTG | |
|---|---|
| 主体 | Ti-6Al-4V(64钛合金) |
用途
汽车、航空宇宙设备、机器人等的轻量化FPD制造装置/半导体制造装置/电气・电子设备/海洋设备
特点
- 采用高强度钛合金制作。
- 比重约为不锈钢的60%。
- 无磁性。
- 耐腐蚀性强,尤其是耐海水性优良。
- 通过特殊表面处理对表面进行了改质。而且已完成无尘洗净、无尘包装。是没有油污及脏物附着的无尘规格。⇒无尘洗净、无尘包装服务
- 钛合金材质的特性请参阅“钛合金的特性”。⇒钛的特性
- 相当于JIS B 1176, ISO 4762, DIN 912标准。
机械性质
| Ti-6Al-4V(64钛合金) | |
|---|---|
| 拉伸强度(N/mm2) | 895以上 |
| 0.2%承压力(N/mm2) | 825以上 |
| 伸长率(%) | 10以上 |
表中数值非保证值,仅供参考。
物性
| Ti-6Al-4V(64钛合金) | |
|---|---|
| 比重 | 4.43 |
| 熔点(℃) | 1540 |
| 纵向弹性系数(GPa) | 113 |
| 热传导率(W/(m・K)) | 7.5 |
| 线性膨胀系数(K-1) | 8.8×10-6 |
| 电阻率(μΩ・m) | 1.7 |
| 磁导率(μ) | 1.0002(无磁) |
表中数值非保证值,仅供参考。



