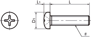
单位 : inch
| 型号 | ♯螺纹公称直径 | L | D1 | L1 | 十字槽型号 | 拉伸断裂 载荷(N)*1 |
扭转断裂 扭矩 (N・m)*1 |
每包数量 | 质量 (g) |
CAD下载 | 请求报价 |
|---|---|---|---|---|---|---|---|---|---|---|---|
| SPEG-#4-40-5/8-P | No.4-40UNC | 5/8 | 0.219 | 0.08 | 1 | 434 | 0.23 | 10 | 0.11 | CAD | 请求报价 |
*1: 表中数值仅供参考,并非保证值。推荐紧固扭矩为扭转断裂扭矩的50%。
●数量未满1包的订单,会另外收取手续费。详情请垂询散装零售服务。
相关服务
材质、表面处理
| SPEG-P(INCH) | |
|---|---|
| 主体 | PEEK GF30(含有玻璃纤维的聚醚醚酮)(淡茶) (玻璃纤维30%) |
| 耐热温度*1 | 260℃ |
*1: 树脂材料的数值。视紧固扭矩等使用条件的不同,商品的最高使用温度会发生变化。
用途
FPD生产设备/半导体生产设备/印刷电路板蚀刻设备/金属表面处理设备/化工厂/变压器/电气与电子设备/热水泵/化学泵特点
- 玻璃纤维含有率30%的PEEK制十字槽盘头小螺钉。拉伸强度约为普通PEEK的1.7倍。
- 英制螺纹型。
- PEEK是理化特性优异的热可塑性超级工程塑料。
- 具有优良的耐药性。几乎不受浓硫酸、浓硝酸、浓氢氟酸以外的药品的侵蚀。
- 耐热性与耐水性优良,耐热强度高。
- 耐磨性、耐冲击性与耐疲劳性优良。
- 具有满足UL94标准中V-0级别的高阻燃性。
- 有关树脂螺丝的特性和使用注意事项,请参阅“树脂螺丝的特性”。⇒树脂螺丝的特性

/14307_1.jpg?upd=20260106142633)
/14321_1.jpg?upd=20260106142633)
/14306_1.jpg?upd=20260106142633&awscf_publishdate=2026-04-30 10:37)
