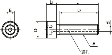
| 型号 | ♯螺纹公称 | L | D1 | L1 | L2 min. |
B | d max. |
毎包数量 | 质量 (g) |
CAD下载 | 请求报价 |
|---|---|---|---|---|---|---|---|---|---|---|---|
| SVSS-1/4-20-5/8 | 1/4-20UNC | 5/8 | 0.375 | 0.25 | 1 | 3/16 | 2 | 10 | 6.2 | CAD | 请求报价 |
●数量未满1包的订单,会另外收取手续费。详情请垂询散装零售服务。
材质、表面处理
| SVSS(INCH) | |
|---|---|
| 主体 | 相当于SUS304 |
| 强度等级 | A2-50 |
用途
真空设备/真空容器/FPD生产设备/半导体生产设备/电子显微镜特点
- 排气孔便于排出仪器或设备的螺纹孔底部积压的气体,有助于对真空装置抽真空。
- 英制螺纹型。
- 排气孔的加工采用了对金属组织影响很小的加工方法。可抑制使用时的脆性破坏以及真空环境下气体的产生。
- 已实施无尘洗净、无尘包装。⇒无尘洗净、无尘包装服务

/11382_1.jpg?upd=20251222110723)
/11381_1.jpg?upd=20251222110723&awscf_publishdate=2026-04-30 10:37)
