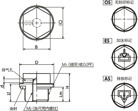
单位 : mm
| 型号 | D | M1(细牙) 螺纹公称直径 |
螺距 | G(PF) 螺纹公称直径 |
Lm | H | d | M2(粗牙) 螺纹公称直径 |
螺距 | Lf | B | C | 质量 (g) |
CAD下载 | 请求报价 |
|---|---|---|---|---|---|---|---|---|---|---|---|---|---|---|---|
| QPHAL-19-M14-1.5-ES-2-BK | 19 | M14 | 1.5 | - | 8 | 15.5 | 2 | M5 | 0.8 | 8 | 15 | 17.3 | 7 | CAD | 请求报价 |
材质、表面处理
| QPHAL-2 | QPHAL-2-BK | |
|---|---|---|
| 主体 | 铝合金 | 铝合金 阳极氧化处理(黑) |
| 油封 | NBR(丁腈橡胶·黑) | NBR(丁腈橡胶·黑) |
特点
- 铝合金制螺塞。
-
将公制细牙螺纹和平行管螺纹标准化。螺纹尺寸丰富。
QPHAL-M-2----公制细牙螺纹
QPHAL-G-2----平行管螺纹 - 可使用温度:100℃
- 六角部分带排气孔,可防止油分挥发导致罐内压力上升。
- 可根据产品符号选择六角部分的刻印标记。
| 产品符号 | 刻印标记 |
|---|---|
| OS | 无 |
| ES | 加注标记 |
| AS | 排放标记 |
- 可根据型号的末尾符号选择表面处理。
无末尾符号----无表面处理
末尾符号BK----阳极氧化处理(黑)



