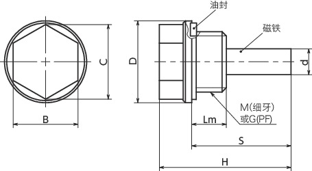
单位 : mm
| 型号 | D | M(细牙)螺纹公称直径 | 螺距 | G(PF) 螺纹公称直径 | Lm | d | H | s | B | C | 质量 (g) |
CAD下载 | 请求报价 |
|---|---|---|---|---|---|---|---|---|---|---|---|---|---|
| QPMAL-26-G1/2 | 26 | - | - | G1/2 | 8.5 | 6 | 31 | 23.5 | 21 | 24.3 | 20 | CAD | 请求报价 |
材质、表面处理
| QPMAL | |
|---|---|
| 主体 | 铝合金 |
| 磁铁 | 铝镍钴 |
| 油封 | NBR(丁腈橡胶、黑) |
特点
- 带磁铁的螺塞。磁铁会吸附液体中的铁粉,防止其散乱在油中。
- 主体为铝合金制。
-
将公制细牙螺纹和平行管螺纹标准化。
QPMAL-M----公制细牙螺纹
QPMAL-G----平行管螺纹 - 可使用温度:100℃







