• 特殊螺丝
  • 防粘连・防烧结

SNSS-M5-8-MO

内六角圆柱头螺栓(二硫化钼涂层)

Socket Head Cap Screw / MoS2 Coating

  • 防止卡住与烧结

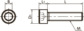
形状図

SNSS-MO内六角圆柱头螺栓(二硫化钼涂层)寸法図

单位 : mm

型号 M(粗牙)
螺纹公称直径
螺距 L D1 L1 B 毎包数量 质量
(g)
CAD下载 请求报价
SNSS-M5-8-MO M5 0.8 8 8.5 5 4 10 2.5 CAD 请求报价

没有符合上述条件的产品。

对不起,没有符合您所填内容的产品。
请变更输入值,再次搜索。

锅屋百迪公司也可根据客户的要求进行产品的客制化。
欢迎利用咨询表格向我们咨询。

锅屋百迪公司
客户中心

有关客制化等产品方面的咨询,请由此咨询。

由此咨询

●数量未满1包的订单,会另外收取手续费。详情请垂询散装零售服务。


相关服务

材质、表面处理

SNSS-MO
主体 SUSXM7(相当于SUS304)
二硫化钼涂层
强度等级 A2-70

用途

防粘连・防烧结
FPD制造装置/半导体制造装置/一般工业机械

特点

  • 耐蚀性,耐磨损性优良。
  • 优良的润滑性。适用于螺丝的防粘连,防烧结。
  • 符合JIS B 1176,ISO 4762,DIN 912标准。有关形状和尺寸,请参阅技术资料 (JIS B 1176,ISO 4762)

紧固特性(参考)

型号:SNSS-M5-25-MO
⇒特殊材质螺丝的特性

SNSS-MO内六角圆柱头螺栓(二硫化钼涂层)


型号列表

点击查看其它SNSS-M5-MO

点击查看其它SNSS-MO