• 特殊螺丝
  • 防粘连・防烧结

SSC-M4-20-FC

内六角防脱落螺丝(氟涂层)

Socket Head Cap Captive Screws - Fluorine Coating

  • 防止卡住与烧结
  • 防丢失

一看就会的产品使用要领解说

短片为使用SSCSSC)的示例。本产品也可进行同样的操作。


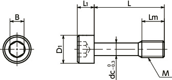
形状図

SSC-FC内六角防脱落螺丝(氟涂层)寸法図

单位 : mm

型号 M(粗牙)
螺纹公称直径
螺距 L Lm D1 L1 B dc 质量
(g)
CAD下载 请求报价
SSC-M4-20-FC M4 0.7 20 5 7 4 3 3 2.7 CAD 请求报价

没有符合上述条件的产品。

对不起,没有符合您所填内容的产品。
请变更输入值,再次搜索。

锅屋百迪公司也可根据客户的要求进行产品的客制化。
欢迎利用咨询表格向我们咨询。

锅屋百迪公司
客户中心

有关客制化等产品方面的咨询,请由此咨询。

由此咨询

材质、表面处理

SSC-FC
主体 SUSXM7(相当于SUS304)
氟涂层
强度等级 A2-70

用途

固定保护盖,检查盖
对应CE标志
机床/食品机械/电气,电子设备

特点


使用注意事项

  • 请将盖子侧的螺孔小径设定在dc尺寸以上。
  • 请将盖子厚度设定在0.8mm以上。

紧固特性(参考)

SSC-FC内六角防脱落螺丝(氟涂层)

内六角圆柱头螺栓(氟涂层)SNSS-M5-25-FC的参考数据。⇒特殊材质螺丝的特性


安装示例

请在护罩上加工螺纹孔,将SSC-FC的螺纹部穿过。由于SSC-FC的螺纹部卡在盖子的螺孔上,即使从框架上卸下螺丝,SSC-FC也不会从盖子上脱落。

SSC-FC内六角防脱落螺丝(氟涂层)


型号列表

点击查看其它SSC-M4-FC

点击查看其它SSC-FC