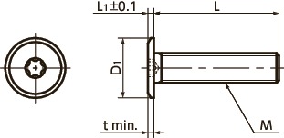
尺寸・CAD
单位 : mm
| 型号 | M(粗牙) 螺纹公称直径 |
螺距 | L | D1 | L1 | 适用扳手 | 梅花槽序号 No. |
t | 最大紧固扭矩 (N・m) |
毎包数量 | 质量 (g) |
CAD下载 | 请求报价 |
|---|---|---|---|---|---|---|---|---|---|---|---|---|---|
| SET-M4-6-NI | M4 | 0.7 | 6 | 8 | 0.9 | SKX-8 | 8 | 0.9 | 2.3 | 20 | 0.65 | CAD | 请求报价 |
| SET-M4-8-NI | M4 | 0.7 | 8 | 8 | 0.9 | SKX-8 | 8 | 0.9 | 2.3 | 20 | 0.8 | CAD | 请求报价 |
| SET-M4-10-NI | M4 | 0.7 | 10 | 8 | 0.9 | SKX-8 | 8 | 0.9 | 2.3 | 20 | 0.95 | CAD | 请求报价 |
| SET-M4-12-NI | M4 | 0.7 | 12 | 8 | 0.9 | SKX-8 | 8 | 0.9 | 2.3 | 20 | 1.1 | CAD | 请求报价 |
| SET-M4-16-NI | M4 | 0.7 | 16 | 8 | 0.9 | SKX-8 | 8 | 0.9 | 2.3 | 20 | 1.4 | CAD | 请求报价 |
相关服务
材质、表面处理
| SET-NI | |
|---|---|
| 主体 | SWCH 镀镍 |
用途
设备、装置的省空间化特点
- 头部厚度极薄的梅花槽*1螺栓。
- 可节省设备与装置的空间或用于上部空间有限的部位。
- 梅花槽*1为能承受高紧固扭矩的形状。⇒梅花槽螺丝的特点
- 请将专用扳手SKX或专用螺丝批头SKXB与专用磁性螺丝刀SRD组合使用以进行安装、拆卸。
- 在狭窄场所安装、拆卸时,请使用对应窄处作业梅花槽扳手SKX-N。
-
生产通孔型、尺寸、形状、材质、表面处理、无尘洗净、特殊包装等特殊规格的商品。
⇒例如可以制作这样的螺丝

*1: 梅花槽的形状在JIS B 1015:2008(ISO 10664:2005)“外螺纹零部件用梅花槽”中有规定。











