尺寸・CAD
单位 : mm
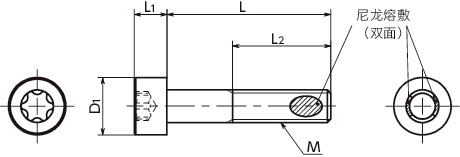
| 型号 | M(粗牙) 螺纹公称直径 |
螺距 | L | D1 | L1 | L2 | 梅花槽 序号 No. |
每包数量 | 质量 (g) |
CAD下载 | 请求报价 |
|---|---|---|---|---|---|---|---|---|---|---|---|
| SNCXS-M4-5-ALK | M4 | 0.7 | 5 | 7 | 4 | 全螺纹 | 25 | 20 | 1.299 | CAD | 请求报价 |
| SNCXS-M4-6-ALK | M4 | 0.7 | 6 | 7 | 4 | 全螺纹 | 25 | 20 | 1.5 | CAD | 请求报价 |
| SNCXS-M4-8-ALK | M4 | 0.7 | 8 | 7 | 4 | 全螺纹 | 25 | 20 | 1.65 | CAD | 请求报价 |
| SNCXS-M4-10-ALK | M4 | 0.7 | 10 | 7 | 4 | 全螺纹 | 25 | 20 | 1.8 | CAD | 请求报价 |
| SNCXS-M4-12-ALK | M4 | 0.7 | 12 | 7 | 4 | 全螺纹 | 25 | 20 | 1.95 | CAD | 请求报价 |
| SNCXS-M4-14-ALK | M4 | 0.7 | 14 | 7 | 4 | 全螺纹 | 25 | 20 | 1.936 | CAD | 请求报价 |
| SNCXS-M4-15-ALK | M4 | 0.7 | 15 | 7 | 4 | 全螺纹 | 25 | 20 | 2.007 | CAD | 请求报价 |
| SNCXS-M4-16-ALK | M4 | 0.7 | 16 | 7 | 4 | 全螺纹 | 25 | 20 | 2.25 | CAD | 请求报价 |
| SNCXS-M4-20-ALK | M4 | 0.7 | 20 | 7 | 4 | 全螺纹 | 25 | 20 | 2.65 | CAD | 请求报价 |
| SNCXS-M4-25-ALK | M4 | 0.7 | 25 | 7 | 4 | 全螺纹 | 25 | 20 | 3.15 | CAD | 请求报价 |
| SNCXS-M4-30-ALK | M4 | 0.7 | 30 | 7 | 4 | 20 | 25 | 20 | 3.356 | CAD | 请求报价 |
| SNCXS-M4-35-ALK | M4 | 0.7 | 35 | 7 | 4 | 20 | 25 | 20 | 3.848 | CAD | 请求报价 |
| SNCXS-M4-40-ALK | M4 | 0.7 | 40 | 7 | 4 | 20 | 25 | 20 | 4.343 | CAD | 请求报价 |
●数量未满1包的订单,会另外收取手续费。详情请垂询散装零售服务。
相关服务
材质、表面处理
| SNCXS-ALK | |
|---|---|
| 主体 | SUSXM7 |
| 尼龙熔敷 | 尼龙11 |
| 强度等级 | A2-70 |
用途
防止螺丝回转、脱落防止螺丝头部破损
牢固紧固
特点
- 带尼龙熔敷的梅花槽*1螺栓。
- 梅花槽是能比十字槽承受更高紧固扭矩的形状。⇒梅花槽螺丝的特点
- 不易因紧固而导致凹孔破损,可以安全、牢固地进行紧固。
- M3~M10。尺寸种类丰富,可根据设备、装置灵活选择。
- 通过螺丝部熔敷的尼龙的摩擦阻力来抑制螺丝回转。
- 由于可抑制回转,即使已失去连接力,仍可以防止螺丝脱落。
- 尼龙熔敷的耐热温度为120℃。
*1: 梅花槽的形状在JIS B 1015:2008(ISO 10664:2005)“外螺纹零部件用梅花槽”中有规定。











