尺寸・CAD
单位 : inch
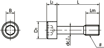
| 型号 | ♯螺纹公称尺寸 | L | Lm | D1 | L1 | B | dc (mm) |
质量 (g) |
CAD下载 | 请求报价 |
|---|---|---|---|---|---|---|---|---|---|---|
| SSC-1/4-20-5/8 | 1/4-20UNC | 5/8 | 9 | 0.375 | 0.25 | 3/16 | 4.6 | 6.2 | CAD | 请求报价 |
| SSC-1/4-20-3/4 | 1/4-20UNC | 3/4 | 9 | 0.375 | 0.25 | 3/16 | 4.6 | 6.8 | CAD | 请求报价 |
| SSC-1/4-20-7/8 | 1/4-20UNC | 7/8 | 9 | 0.375 | 0.25 | 3/16 | 4.6 | 7.4 | CAD | 请求报价 |
| SSC-1/4-20-1 | 1/4-20UNC | 1 | 9 | 0.375 | 0.25 | 3/16 | 4.6 | 8.1 | CAD | 请求报价 |
| SSC-1/4-20-1 1/4 | 1/4-20UNC | 1-1/4 | 9 | 0.375 | 0.25 | 3/16 | 4.6 | 9.3 | CAD | 请求报价 |
相关服务
材质、表面处理
| SSC(INCH) | |
|---|---|
| 主体 | 相当于SUS304 |
| 强度等级 | A2-50 |
用途
保护盖、人孔盖的固定/CE标志对应机床/食品机械/电气、电子设备
特点
- 防止螺丝脱落、丢失。适用于固定需要频繁安装和拆卸的保护罩或检查盖。
- 英制螺纹型。
- 用于应对CE标志。⇒请使用NBK的防脱落螺钉系列来对应CE标志
- 请使用专用扳手SKH(INCH)进行安装、拆卸。SKH(INCH)
- 我们也制作尺寸、形状、材质、表面处理等为特殊规格的防脱落螺丝。请垂询客户中心。
/12946_1.jpg?upd=20250526114350)
使用注意事项
- 请将盖子侧的螺孔小径设定在dc尺寸以上。
- 请将盖子厚度设定在0.8mm以上。
安装示例
请在护罩上加工螺丝孔,将SSC(INCH)的螺纹部穿过。即使从框架上拆下螺丝,由于SSC(INCH)的螺纹部会卡在护罩的螺纹孔中,因此SSC(INCH)不会从护罩上脱落。/FID5395ff632074f_1.jpg?upd=20250526114350)

/12942_1.jpg?upd=20250526114350)
/12941_1.jpg?upd=20250526114350&awscf_publishdate=2026-04-08 19:00)




