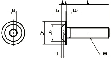
单位 : mm
| 型号 | M(粗牙) 螺纹公称直径 |
螺距 | L | D1 | D2 | L1 | t1 | B | t | Lb | 最大紧固扭矩 (N・m) |
每包数量 | 质量 (g) |
CAD下载 | 请求报价 |
|---|---|---|---|---|---|---|---|---|---|---|---|---|---|---|---|
| SFB-M3-8-EL | M3 | 0.5 | 8 | 7 | 5.2 | 1.65 | 0.6 | 2 | 1.05 | 1 | 1 | 20 | 0.61 | CAD | 请求报价 |
●数量未满1包的订单,会另外收取手续费。详情请垂询散装零售服务。
相关服务
材质、表面处理
| SFB-EL | |
|---|---|
| 主体 | SCM435 无电解镀镍 |
| 强度等级 | 10.9 |
用途
设备、装置的省空间化特点
- 座面宽、不易松动的内六角圆头螺栓。
- 耐腐蚀性比SFB(四氧化三铁保护膜)优异。
- 适用于同时要求有高强度和耐腐蚀性的用途。
- 可节省设备与装置的空间或用于上部空间有限的部位。



