尺寸・CAD
单位 : mm
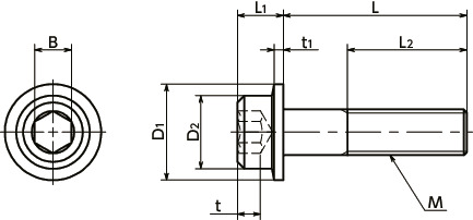
| 型号 | M(粗牙) 螺纹公称直径 |
螺距 | L | D1 | D2 | L1 | L2 | B | t | t1 | 每包数量 | 质量 (g) |
CAD下载 | 请求报价 |
|---|---|---|---|---|---|---|---|---|---|---|---|---|---|---|
| SFSS-M4-6-UCL | M4 | 0.7 | 6 | 9 | 7 | 4 | 全螺纹 | 3 | 2 | 0.8 | 10 | 1.5 | CAD | 请求报价 |
| SFSS-M4-8-UCL | M4 | 0.7 | 8 | 9 | 7 | 4 | 全螺纹 | 3 | 2 | 0.8 | 10 | 1.7 | CAD | 请求报价 |
| SFSS-M4-10-UCL | M4 | 0.7 | 10 | 9 | 7 | 4 | 全螺纹 | 3 | 2 | 0.8 | 10 | 1.8 | CAD | 请求报价 |
| SFSS-M4-12-UCL | M4 | 0.7 | 12 | 9 | 7 | 4 | 全螺纹 | 3 | 2 | 0.8 | 10 | 2 | CAD | 请求报价 |
| SFSS-M4-16-UCL | M4 | 0.7 | 16 | 9 | 7 | 4 | 全螺纹 | 3 | 2 | 0.8 | 10 | 2.2 | CAD | 请求报价 |
| SFSS-M4-20-UCL | M4 | 0.7 | 20 | 9 | 7 | 4 | 全螺纹 | 3 | 2 | 0.8 | 10 | 2.6 | CAD | 请求报价 |
●数量未满1包的订单,会另外收取手续费。详情请垂询散装零售服务。
材质、表面处理
| SFSS-UCL | |
|---|---|
| 主体 | SUSXM7(相当于SUS304) USC洗净 |
| 强度等级 | A2-70 |
用途
FPD制造装置/半导体制造装置/医疗机械/食品机械特点
- 不锈钢制的带法兰内六角圆柱头螺栓。
- 由于头部的法兰使座面变大,因此与普通内六角圆柱头螺栓相比,施加在被紧固材料上的压力被分散,不易造成座面下沉。另外,即使在钻孔直径较大的情况下,也可以确保座面。
- 不需要垫圈组装作业,可以减少零件数量。
- 由于不使用垫圈,因此最适合机器人的螺丝紧固自动化用途。
- 已完成无尘洗净(超声波洗净)、无尘包装。⇒无尘洗净、无尘包装服务
- 适用于组装到FPD制造装置、半导体制造装置、医疗机械、食品机械中的零部件或在无尘室使用的零部件。







