联轴器
扭矩・外径选择
根据引动器选择
高减振能力橡胶型
膜片型
梅花型
狭缝型
十字滑块型
十字接头型
波纹管型
锯齿型
刚性型
长杆型
真空装置用螺丝
无尘环境适用螺丝
短头・小头螺丝
功能性不锈钢螺丝
钛制螺丝
特殊材质螺丝
工具
特殊表面处理螺丝
精密螺丝
防脱落螺丝・全螺纹
快速夹紧紧固件
固定・定位螺丝
英制螺丝
防破坏螺丝
梅花槽螺丝
油位窗/塞
垫圈・插件
树脂螺丝
防松
盖帽
耐药性螺丝
内六角圆柱头螺栓
六角螺栓
薄板固定螺丝
带垫片螺丝・紧固操作改进螺钉
根据使用目的来选择
真空
低漏气
无尘
耐药性
高强度
高比强度
耐热性
防粘连・防烧结
防止紧固孔破损
防反射
电绝缘性
无磁性
轻量
省空间
简单操作
防丢失
装饰
固定・定位
搬送
定位托架
夹紧手柄
凸轮手柄
功能手柄
旋钮
拉手
分度柱塞
锁销
柱塞
夹紧螺丝・无头螺丝
止动螺栓・止动螺丝
肩型螺栓・调节螺栓・螺丝接头
闩锁・门扣
铰链
手轮
握柄
调平脚・水平仪
橡胶缓冲器
交叉型夹块・夹轴器
球窝接头・角度铰链
快速释放接头
结构零件
六角支柱
滑轨・滚子导轨
线性引动器
固定轴环
指示器
刻度
拨盘
滑台
球形滚子
FA用小型强力磁铁
FPD固定件(显示面板固定设备)
旋转单元
位置分度、角度调整
自动定位单元
动力夹块(气压夹紧式)
导轨钳制器
高性能缓冲器、高性能弹性体挡块
直线导轨用止动块
紧凑型压缩机
工厂设备用零件
联轴器 轴孔、键槽追加加工服务
不锈钢螺丝变更服务
无尘洗净、无尘包装服务
手柄位置变更服务
防松服务
螺纹切割服务
螺纹组合服务
螺丝附带服务
手轮追加工服务
刻度板、刻度条切割服务
激光刻印服务
刻度刻印服务
零售服务
防脱落加工服务
特殊螺丝 |新产品
新产品发售:防偏斜拧紧螺钉
2026年04月01日
工厂设备用零件 |新产品
新产品发售:18升桶搬运架 - 一斗桶用
新产品发售:紧固件
机械要素零件 |新产品
新产品发售:旋转单元用立管
新产品发售:带倒角销的分度柱塞
新产品发售:环型带法兰分度柱塞
新产品发售:环型带法兰分度柱塞 - 带锁定机构
新产品发售:手柄型带法兰分度柱塞 - 带锁定机构
新产品发售:带法兰分度柱塞
新产品发售:旋钮
新产品发售:塑料拉手
新产品发售:手轮
联轴器 |新产品
新产品发售:十字滑块型挠性联轴器
2026年02月24日
新产品发售:标准型快速夹紧紧固件
新产品发售:自由滑动型快速夹紧紧固件
新产品发售:快速夹紧紧固件用凸轮基座
新产品发售:挠性联轴器 - 膜片型
2026年02月12日
新产品发售:带尼龙熔敷的十字槽超极短头螺栓
2026年01月27日
新产品发售:十字槽超极短头螺栓
新产品发售:带尼龙熔敷的梅花槽超极短头螺栓(英制螺纹)
防脱落系列
符合SEMI标准的产品(SEMI S8-0218)
全不锈钢产品
全金属产品
通用设计系列
卫生型系列
2024年03月22日
2017年03月08日
2016年07月08日
2014年09月19日
2014年05月07日
2025年02月10日
2025年01月27日
2024年05月14日
2025年11月25日
2025年11月26日
2025年10月28日
2025年06月24日
2025年04月30日
2024年06月28日
2024年05月13日
2024年03月15日
2025年09月05日
2021年10月01日
2021年01月26日
2018年07月24日
2017年01月24日
2025年10月29日
2025年05月27日
2024年12月02日
2024年10月07日
2025年11月12日
2025年11月10日
2024年05月28日
2019年01月22日
2025年02月17日
2025年12月05日
2018年08月09日
2018年08月08日
2018年08月07日
2018年08月06日
2025年05月12日
2026年02月25日
2025年12月22日
2024年11月29日
2024年11月27日
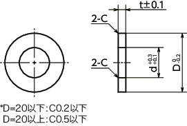
调节垫圈(钢制、无电解镀镍)
Adjust Washer
单位 : mm
有关客制化等产品方面的咨询,请由此咨询。
●数量未满1包的订单,会另外收取手续费。详情请垂询散装零售服务。
产品名称
型号
SWA-8-15-2-AWEL
特点
丰富的产品阵容
SWA-8-15-3-AWEL
SWA-6-30-AWEL
SWA-8-30-AWEL
SWA-12-18-AWEL
SWA-12-20-AWEL
添加书签