尺寸・CAD
单位 : mm
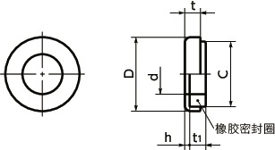
| 型号 | 公称直径 | d | D | h | t | t1 | C | 每包数量 | 质量 (g) |
CAD下载 | 请求报价 |
|---|---|---|---|---|---|---|---|---|---|---|---|
| SWS-3-E | 3 | 3.2 | 7 | 0.5 | 2.2 | 2.2 | 6.3 | 10 | 0.2 | CAD | 请求报价 |
| SWS-4-E | 4 | 4.2 | 8 | 0.5 | 2.1 | 2 | 7.2 | 10 | 0.2 | CAD | 请求报价 |
| SWS-5-E | 5 | 5.2 | 9.6 | 0.8 | 2.7 | 2.5 | 8.2 | 10 | 0.6 | CAD | 请求报价 |
| SWS-6-E | 6 | 6.2 | 11.5 | 1 | 2.9 | 2.5 | 9.6 | 10 | 1 | CAD | 请求报价 |
| SWS-8-E | 8 | 8.2 | 15.3 | 1 | 3.1 | 3 | 13.5 | 5 | 1.8 | CAD | 请求报价 |
| SWS-10-E | 10 | 10.4 | 18 | 1.5 | 4 | 3.8 | 15.1 | 5 | 3.2 | CAD | 请求报价 |
| SWS-12-E | 12 | 14 | 24 | 1.5 | 5 | 5 | 21.3 | 5 | 6.6 | CAD | 请求报价 |
| SWS-16-E | 16 | 18.8 | 30 | 2 | 5.3 | 4.8 | 26.4 | 5 | 11 | CAD | 请求报价 |
●数量未满1包的订单,会另外收取手续费。详情请垂询散装零售服务。
相关服务
材质、表面处理
| SWS-E | |
|---|---|
| 主体 | SUS304 |
| 橡胶密封圈 | EPDM |
用途
密封环液压设备/气压设备特点
- 在不锈钢垫圈中装入了橡胶密封圈的密封垫圈。
- 防止气体、液体从螺丝头部的座面泄漏。
- 即使紧固螺丝橡胶也不会移位,橡胶紧贴螺牙部进行密封。
- SWS-E的橡胶密封圈使用EPDM。具有优异的耐候性、耐水性、耐臭氧性。
- 橡胶密封圈的耐热温度
| 型号 | 橡胶密封圈的 材质 |
特点 | 耐热温度 |
|---|---|---|---|
| SWS | NBR | 标准 | 80℃ |
| SWS-F | 氟橡胶 | 耐药品性、耐热性、耐臭氧性 | 200℃ |
| SWS-E | EPDM | 耐候性、耐水性、耐臭氧性 | 120℃ |
| SWS-S | 硅橡胶 | 耐热性、耐寒性、电绝缘性 | 180℃ |
表中数值非保证值,仅供参考。
使用例










