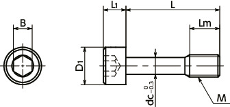
单位 : mm
| 型号 | M(粗牙) 螺纹公称直径 |
螺距 | L | Lm | D1 | L1 | B | dc | 质量 (g) |
CAD下载 | 请求报价 |
|---|---|---|---|---|---|---|---|---|---|---|---|
| SSC-SNSLG-M3-8 | M3 | 0.5 | 8 | 4 | 5.5 | 3 | 2.5 | 2.2 | 0.8 | CAD | 请求报价 |
特点
- 防止螺丝的脱落、丢失。用于固定频繁安装、拆卸的保护盖及检查盖。
- 适用于对应CE标志。⇒请使用NBK的防脱落螺钉系列来对应CE标志
- 高强度的不锈钢制内六角圆柱头螺栓。
- 主体拉伸强度1000N/mm2、0.2%承压力800N/mm2。
- 和一般的不锈钢制内六角圆柱头螺栓相比,承压力约为1.8倍。通过减小螺纹直径及削减个数,实现省空间化、轻量化。
- SUS316L制。耐腐蚀性优良。
- 无磁性。
材质、表面处理
| SSC-SNSLG | |
|---|---|
| 主体 | SUS316L |
相关服务
用途
固定保护盖、检查盖对应CE标志
机床/食品机械/电气、电子设备
使用注意事项
- 请将盖子侧的螺孔小径设定在dc尺寸以上。
- 请将盖子厚度设定在0.8mm以上。
机械性质
| 型号・强度等级 | 特性 | ||
|---|---|---|---|
| 拉伸强度(N/mm2) | 0.2%承压力(N/mm2) | 伸长率(mm) | |
| SSC-SNSLG *1 | 1000 | 800 | 0.3d |
| A2-70・A4-70*2 | 700 | 450 | 0.4d |
| A2-50・A4-50*2 | 500 | 210 | 0.6d |
*1: 为公司内部规格值。使用每个生产批次的测试件进行确认。
*2: 为JIS B 1054 - 1:2013(ISO 3506 - 1:2009)“耐腐蚀不锈钢制连接用零件的机械性质-第1部:螺栓、小螺钉及螺柱”的规格值。
表中数值仅供参考,并非保证值。
磁导率的比较
| 型号・材质 | 磁导率 |
|---|---|
| SSC-SNSLGSUS316L | 1.008 |
| SNSLSUS316L | 1.006 |
| SUSXM7 | 1.4 |
表中数值仅供参考,并非保证值。
安装示例
请在护罩上加工螺纹孔,将SSC-SNSLG的螺纹部穿过。由于SSC-SNSLG的螺纹部卡在盖子的螺孔上,即使从框架上卸下螺丝,SSC-SNSLG也不会从盖子上脱落。



