单位 : mm
材质、表面处理
| SSC-TF | |
|---|---|
| 主体 | SUSXM7(相当于SUS304) PTFE(聚四氟乙烯)涂层 |
| 强度等级 | A2-70 |
相关服务
用途
固定保护盖,检查盖对应CE标志
机床/食品机械/电气,电子设备
使用注意事项
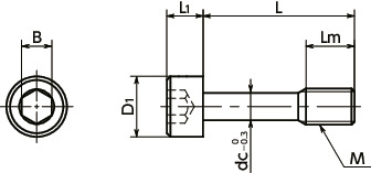
- 请将盖子侧的螺孔小径设定在dc尺寸以上。
- 请将盖子厚度设定在0.8mm以上。
安装示例
请在护罩上加工螺纹孔,将SSC-TF的螺纹部穿过。由于SSC-TF的螺纹部卡在盖子的螺孔上,即使从框架上卸下螺丝,SSC-TF也不会从盖子上脱落。
内六角防脱落螺丝(PTFE涂层)
Socket Head Cap Captive Screws - PTFE Coating
单位 : mm
| SSC-TF | |
|---|---|
| 主体 | SUSXM7(相当于SUS304) PTFE(聚四氟乙烯)涂层 |
| 强度等级 | A2-70 |
